(一)用途与特点
本机主要适用于较大型的饮料生产工厂。当将净化水真空脱氧(脱氧率达90%以上)并预冷后,进行预碳酸化和碳酸化两次充气,因而CO2气的含量高。本机对于水和糖浆的混合采用计量阀严格控制,精度可达千分之五左右。自动控制系统保证了开机后,只要按规定程序依次转动旋钮,即可实现正常操作,能方便地调整生产能力或水与糖浆的配比。本机的制冷、温控、压力系统均为自动调节,并通过PC机控制生产全过程。一旦发生故障,会有警灯、警铃报警并自动停机。本机全部用不锈钢制作并配有CIP清洗装置,不用拆卸任何零件,就可以为混合机内部进行自动清洗并消毒。
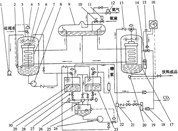
(二)工作原理与整体结构
DBCⅠ型气水混合机工作原理和流程如图4-5-6所示,其外形及结构如图4-5-7所示。

图4-5-6 DBCⅠ混合机工作原理与流程
1-真空泵 2-液位调节器 3-脱气冷却罐 4-气动进水阀 5-配水槽 6-清洗喷球 7-冷却板 8-净水泵 9-贮氨罐 10-手动膨胀阀 11-电磁阀 12-电磁稳压阀 13-单向阀 14-带电极液位计 15-气动调节阀 16-压力记录调节仪 17-冷却碳酸化罐 18-调压阀 19-气体流量计 20-测温计 21-CO2喷射器 22-糖浆过滤器 23-糖浆罐 24-混合泵 25-混合罐 26-水、糖混合器 27-气动混合阀 28-计量阀 29-水罐 30-浮子

图4-5-7 DBCⅠ型气水混合机外形及结构
1-无菌水入口 2-糖浆入口 3-糖浆罐 4-水罐 5-糖、水混合器 6-混合泵 7-脱氧冷却罐 8-真空泵 9-净水泵 10-混合罐 11-预碳酸化注入器 12-调速阀 13-气体流量计 14-测温计 15-成品出口 16-带电极的液位计 17-CO2入口 18-气动薄膜调节阀 19-控制柜 20-压力记录调节仪 21-冷却板 22-气动三通进水阀 23-冷却碳化罐 24-压缩空气入口 25-混合罐 26-氨液入口 27-手动膨胀阀 28-氨安全阀 29-贮氨罐 30-旁通阀 31-电磁稳压阀 32-氨气出口 33-底盘 34-底座 35-电源入口
(三)DBC型气水混合机主要技术参数
DBC型气水混合机主要技术参数见表4-5-4所示。
表4-5-4DBC型气水混合机主要技术参数

