网站首页  词典首页

请输入您要查询的字词:

 

字词 KL系列滚筒烘丝机
类别 中英文字词句释义及详细解析
释义

KL系列滚筒烘丝机


1.结构特点

(1)按使用的能源不同,该系列烘丝机分为蒸汽加热的KLK型,燃气加热的KLR型及燃油加热的KLZ型。

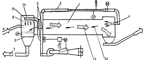
(2)在蒸汽加热的KLK型滚筒烘丝机中,有顺流式KLK型及KLK-N型,其结构见图9-2-18所示。有逆流式KLK-G型及KLK-GN型,其结构见图9-2-16所示。顺流式与逆流式烘丝的比较见图9-2-17所示。

图9-2-16 逆流式KLK-G及KLK-GN型滚筒烘丝机示意图

1-滚筒 2-排汽口 3-热风系统 4-热空气进口 5-热空气调节阀 6-烟丝喂入 7-排汽系统 8-透汽滚筒 9-热空气进口 10-罩壳 11-烟丝流向 12-热空气流向

图9-2-17 顺流与逆流烘丝的比较

图9-2-18 顺流式KLK及KLK-N型滚筒烘丝机示意图

1-热空气调节阀 2-喂料振槽 3-滚筒 4-排汽系统 5-进气口 6-冷凝水排出口 7-出料振槽 8-滚筒手摇柄 9-风机 10-加热器 11-落料口 12-热空气流向 13-翻丝板 14-蒸汽管

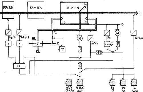
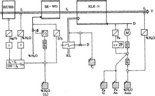
(3)KLK滚筒烘丝机可手动操作,正常运行时一般采用自动操作。自动反馈控制见图9-2-19、图9-2-20及图9-2-21所示。

图9-2-19 顺流式KLK型滚筒烘丝机反馈自动控制示意图

图9-2-20 顺流式KLK-N型滚筒烘丝机反馈自动控制示意图

图9-2-21 逆流式KLK-GN型滚筒烘丝机反馈自动控制示意图

图中:

RF/RB 表示计量单元 SR-WD 表示回潮通道

D 表示蒸汽供给 SR-WA 表示蒸汽通道(HT)

HL 表示热空气 L1 表示烘丝热空气

KL 表示冷空气 L2 表示横向热气流

T 表示烟丝流 L3 表示补充热空气

t 表示时间延迟 St 表示壁面加热控制

KLK.KLK-GN 表示均为烘丝机(型号) PID 表示比例积分微分控制器

P/I 表示电流信号转换为压力信号 M 表示电动机

安装位置:G-基本的加热系统 f1、f2、f3表示含水率检测

An-起动

Auto-自动

2.主要技术参数

(1)生产能力:见表9-2-19所示。

表9-2-19KLK型滚筒烘丝机生产能力

(2)生产过程参数:见表9-2-20所示。

表9-2-20KLK型滚筒烘丝机生产过程参数

(3)其他技术参数

烘丝筒体最大倾斜度 4°;

要求蒸汽压力 0.8~1.0MPa;

红外线含水率监控精度允差 ±0.3%;

电子秤精度允差 ±0.5%;

热空气温度调节范围 120~150℃。

3.生产厂家

德国豪尼(Hauni)公司。

随便看

 

文网收录3541549条中英文词条,其功能与新华字典、现代汉语词典、牛津高阶英汉词典等各类中英文词典类似,基本涵盖了全部常用中英文字词句的读音、释义及用法,是语言学习和写作的有利工具。

 

Copyright © 2004-2024 Ctoth.com All Rights Reserved
京ICP备2021023879号 更新时间:2026/4/18 16:27:18