1.结构特点
(1)烟包输入后,该机会自动开机并随烟包的减少而自动降速,当无烟包输入时机器自动停止。薄膜纸筒的更换是自动进行的,透明纸拼接无需胶带,拼接处的烟包会自动剔除。气动夹具保证薄膜纸筒保持在正确位置。
(2)带液晶显示屏的操作台以数码形式显示机器运行状态,通过检测器的监测和控制,使机器运行平稳。可借助视像终端立即排除故障。
(3)该机由一直流电机驱动,不同的转矩也能提供恒定的转数,该机可与B1小包机、FZH/NK条包机、条包透明纸包装机或KW条包机组成全自动包装生产线。
2.主要技术参数
设备能力:500包/min。
烟包规格:长度 70~105mm;
宽度 49~89mm;
厚度 15~25mm。
装机功率:7.5kW。
压缩空气:6×105Pa,3.5m3/h。
3.外形尺寸
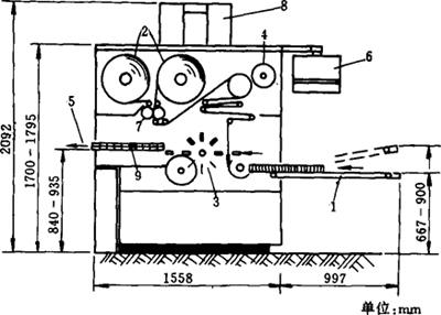
见图9-4-32所示。

图9-4-32 RC小包透明纸包装机示意图
1-传送带 2-透明纸筒 3-折叠转盘 4-拉带纸筒 5-小包输出 6-操作盘 7-拼接装置 8-开关柜 9-次品剔除
4.生产厂家
法国Schmermund公司。