(1)化学成分
表3-107 国内外相应牌号及化学成分

注:①允许含有≤0.50%的Ni,≤0.20%的Cu,但Ni+Cu应≤0.50%。②必要时可加入其他合金元素。
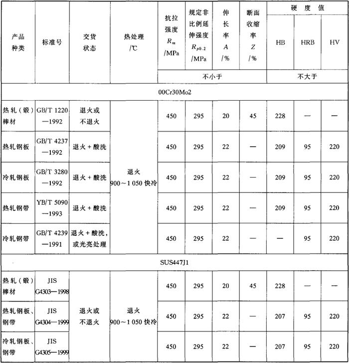
(2)力学性能
表3-108 主要产品热处理后的室温力学性能

(3)主要特性和用途
高纯铁素体型不锈钢,由于铬和钼含量高,而碳和氮的含量又降至极低,从而提高钢的耐蚀能力,特别是耐应力腐蚀和耐点腐蚀能力,并具有软磁性。同时,钢的脆性转变温度降低,韧性提高。
用于制造与醋酸、乳酸等有机酸有关的设备,生产苛性碱设备,以及在要求耐卤素离子应力腐蚀和耐点腐蚀条件下工作的设备和构件,还可制造防止公害的机器。