网站首页  词典首页

请输入您要查询的字词:

 

字词 S46990 9Cr18MoV
类别 中英文字词句释义及详细解析
释义

S46990 9Cr18MoV


(1)化学成分

表3-155 国内外相应牌号及化学成分

注:①允许含有≤0.60%的Ni。

②棒材、盘条、型钢以及相应半成品,硫的最大含量为0.030%;用于切削加工的钢材,建议硫含量控制范围为0.015%~0.030%。

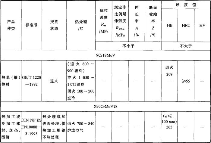
(2)力学性能

表3-156 主要产品热处理后的室温力学性能

(3)主要特性和用途

高碳马氏体型不锈钢。基本性能优于9Cr18钢。

用途与9Cr18钢相似,可用于切片机械刀具、量具刃具、外科手术刀具、轴承及耐磨零件等。

随便看

 

文网收录3541549条中英文词条,其功能与新华字典、现代汉语词典、牛津高阶英汉词典等各类中英文词典类似,基本涵盖了全部常用中英文字词句的读音、释义及用法,是语言学习和写作的有利工具。

 

Copyright © 2004-2024 Ctoth.com All Rights Reserved
京ICP备2021023879号 更新时间:2026/5/15 18:13:41