1.适用范围
Y/△起动器适用于交流50Hz或60Hz,额定绝缘电压为660V,在AC-3使用类别下额定工作电压为380V时控制功率至80kW的三相鼠笼式感应电机,Y/△起动器为电动操作时,接线可自动转换,可遥控电动机起动、停止,并具有过载及失压保护。Y/△起动器一般用于空载或轻载起动的中、小型笼式电动机。
2.常用Y/△起动器结构特征
(1)QX1 Y/△起动器是由三个结构相同的触头元件及一个定位机构的组成。并具有薄钢板的外壳,由凸轮操作其分断,由弹簧控制其闭合。
(2)QX3 Y/△起动器是由交流接触器、时间继电器和热继电器组装而成。电动机开始由星形接法运转,通过时间继电器自动将Y换接成△连接,使电路正常运转。热继电器和交流接触器在过载和失压时,可以自动断开电路。
(3)QX4 Y/△起动器由3台交流接触器、1台热继电器、1台时间继电器、3只按钮(并作指示灯)等元件组成,采用自动控制方式,在0.4~0.6s内可以自动调节起动,并有过载及失压保护装置。
(4)QJX2 (LC3-D)Y/△起动器一般由三台交流接触器,一只空气延时头、一只辅助触头组成,安装在一块底板上,配以适当导线。
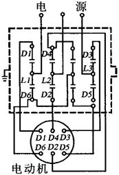
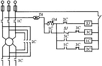
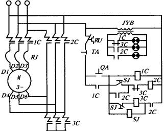
3.常用Y/△起动器接线图。
常用Y/△起动器接线图见图1-83。

QX4接线图

QX3接线图

QX1接线图

QJX2接线图
图1-83 常用Y/△启动器接线图
4.常用Y/△起动器产品型号及主要技术参数
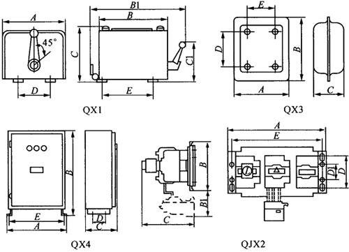
常用Y/△起动器产品型号及主要技术参数和外形安装尺寸见图1-84和表1-115。

图1-84 常用Y/△起动器外形及安装尺寸
表1-115 常用Y/△起动器主要技术参数及安装尺寸

