专利审批是专利局接到专利申请后,根据专利法和实施细则,对申请文件进行审查和批准专利的手续。
1.提出专利后的一般程序
申请人提出专利申请后,要根据专利法和实施细则,主动地或根据专利局的通知书要求办理各项有关手续。如提交意见陈述书、补正书、着录变更申报书,办理权利转让手续等。提交这些文件时,申请人要在规定期限内缴纳规定数额的费用。
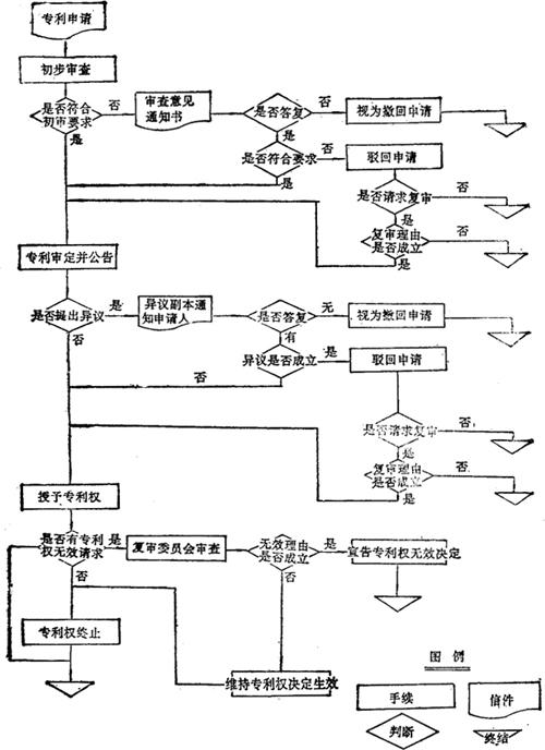
2.专利审查程序
专利审查程序详见图12-1,12-2。


图12-1 发明专利审查程序

图12-2 实用新型外观设计专利审查程序
3.专利申请的公开
专利局受理发明专利申请后,经过初步审查,认为符合专利法要求,即按国际专利表进行分类,并自申请日或优先权日起满18个月即行公布。专利局还可以根据申请人的请求,早日公布其申请,自此后到专利局作出审定公告之前,任何人都可以就此申请不符合专利法之处,向专利局提出书面意见,供专利局在审查工作中参考。发明专利申请公开后,即获临时保护。
实用新型专利和外观设计申请一经专利局初步审查没有发现驳回理由的,即作为授予实用新型专利权或外观设计专利权的决定,并予以登记和公告。