可控硅交流调压的控制通常有两种方式,即通断控制和相位控制,相位控制应用较多,在电源电压的一个周期内,改变触发脉冲的相位,即改变了控制可控硅的导通时刻,将负载与电源接通,使负载两端的电压可以改变,从而达到调压的目的。
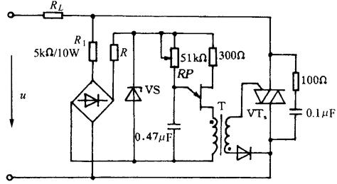
图8-16为应用单结晶体管移相触发的交流调压电路,触发电路电压取自晶闸管两端,当管子未导通时,电源电压经RL与R1降压,桥式整流及稳压,得到梯形同步电压,供给单结晶体管弛张振荡器,在电源正负半周均送出负脉冲触发晶闸管,改变RP阻值,可改变正、负半周的控制角,达到

图8-16 实用交流调压电路调节负载电压的目的。当双向晶闸管一旦触发导通后,振荡器电压即消失,电路每个半周只能发出第一个脉冲。