网站首页  词典首页

请输入您要查询的字词:

 

字词 减速机
类别 中英文字词句释义及详细解析
释义

减速机


减速机是原动机和工作机之间的独立的闭式传动装置,用来降低转速和相应地增大扭矩。在某些场合,也有用来增速的。减速机具有结构紧凑、传动效率高、传动准确可靠、使用维护方便等优点,在各种机械设备中应用甚广。这里仅列几种在制盐工业中常用的减速机。

(一)圆柱齿轮减速机

根据机械部标准JB1130-70规定,有3个系列的外啮合渐开线斜齿圆柱齿轮减速机,即ZD(单级)、ZL(两级)、ZS(3级)。其适用条件为:

减速机齿轮传动圆周速度不大于18m/s;

减速机高速轴的转数不大于1500r/min;

减速机工作的环境温度为-40℃到+45℃;

减速机用于正、反两向运转。

1.减速机的选用

已知条件:低速轴扭矩M(或高速轴功率N1)、高速轴转数n1、低速轴上转数及扭矩变化图、最大尖峰负荷、传动比i、寿命、装配型式。

选用程序:

(1)根据传动比i选择ZD、ZL、ZS减速机。

(2)决定工作类型:查表3-5-9。

表3-5-9 减速机的工作类型

注:(1)寿命按10年计算。

(2)中型、重型和特重型每一循环的工作时间t工作不应超过20min,否则应按连续型计算。

(3)下标O——工作;C——循环。

(3)按减速机的工作类型和高速轴转数n1选出低速轴的许用扭矩并确定中心距。

(4)核算尖峰负荷 最大许用尖峰负荷为连续型承载能力的3.1倍。最大许用尖峰负荷在一个工作循环期内连续作用时间不应超过工作时间t工作的3%,同时在这一短暂的时间内,小齿轮进入啮合的次数不应超过500次。

(5)确定传动齿轮精度等级,写出所选减速机的代号。

2.减速机的代号 包括减速机的型号、总中心距、传动比、装配型式及齿轮精度等级。

减速机型号——ZD表示单级传动的圆柱齿轮减速机。

——ZL表示两级传动的圆柱齿轮减速机。

——ZS表示三级传动的圆柱齿轮减速机。

总中心距——用实际数字表示,cm。

传动比代号——用阿拉伯数字1、2、3……顺序表示。

装配型式代号——用罗马数字Ⅰ、Ⅱ……顺序表示。

齿轮精度等级代号-—表示减速机第一级传动齿轮精度等级。

8-7-7-Dc用“A”表示。

8-8-7-Dc不予表示。

例如

3.结构尺寸:

装配型式及外形尺寸:

ZD 减速机见图3-5-25,表3-5-10

图3-5-25 ZD型圆柱齿轮减速机

表3-5-10ZD圆柱齿轮减速机外形尺寸

ZL 减速机见图3-5-26,表3-5-11

图3-5-26 ZL型圆柱齿轮减速机

表3-5-11 ZL型圆柱齿轮减速机外形尺寸

ZS 减速机见图3-5-27,表3-5-12。

图3-5-27 ZS型圆柱齿轮减速机

表3-5-12 ZS型圆柱齿轮减速机外形尺寸

带负号的尺寸在高速轴轴心线的右侧,不带负号的尺寸置位与图示位置相同。

4.中心距及公称传动比:

(1)中心距应符合表3-5-13、表3-5-14、表3-5-15的规定。

表3-5-13 单位:mm

表3-5-14 单位:mm

表3-5-15 单位:mm

①ZD减速器的中心距A(表3-5-13)

②ZL减速器的中心距A(表3-5-14)

③ZS减速器的中心距A(表3-5-15)

(2)公称传动比应符合表3-5-16、表3-5-17、表3-5-18的规定。

表3-5-16

表3-5-17

表3-5-18

①ZD减速器的公称传动比i

②ZL减速器的公称传动比i

③ZS减速器的公称传动比i

减速机的实际传动比与公称传动比的偏差:当i=2~4.5时,不大于±2.5%;i=5~280时,不大于±4%。

(二)摆线针轮减速机

减速比大,单级传动比为11~87,双级传动比为121~7569;结构紧凑、体积小、重量轻、摆线针轮减速机与同功率的两级普通圆柱齿轮减速机相比,体积可减小,重量约减轻以上;效率高,一般效率为0.9~0.94,最高可达0.97;运转平稳,过载能力较大,承受冲击和振动的性能较好;工作可靠,寿命长。但是结构复杂,制造较困难,加工和装配精度要求较高,同时需要专门的加工设备,且摆线轮尚缺乏一套完善的测量方法和测量工具。目前国内广泛使用的有B及X两大系列。

1.B系列摆线针轮减速机

根据机械部标准JB2982-81规定,有BW、BL、BWY、BLY单级和双级摆线针轮减速机。

(1)减速机的代号

BW——摆线针轮减速机,双轴型,卧式安装。

BL——摆线针轮减速机,双轴型,立式安装。

BWY——摆线针轮减速机,异步电动机直接联接型,卧式安装。

BLY——摆线针轮减速机,异步电动机直接联接型,立式安装。

机型号——用针齿中心圆直径cm表示(双级减速机按低级,高级连续表示)。

传动比——用阿拉伯数字表示(双级减速机用低速级传动比×高速级传动比表示)。

配用电机功率kW(双轴型不予表示)

例如:

(2)减速机的主要参数

①单双级减速机的针齿中心圆直径Dz应分别符合表3-5-19和表3-5-20的规定。

表3-5-19 单位:mm

表3-5-20 单位:mm

②双轴型单级减速机的传动比和输入功率应符合表3-5-21的规定。

表3-5-21

③电动机直联型单级减速机的传动比和输入功率,应符合表3-5-22的要求。

表3—5-22

注:(1)表中每一机型、每一传动比对应的输入功率中数值最大者(包括带括号者),为设计时输入功率;数值较小者,为可以配备的电动机功率。

(2)带( )者表示非Y系列电动机的功率。

(3)带(立)者表示仅立式减速机配备的功率。

④双轴型双级减速机的传动比和输入功率应符合表3-5-223的规定。

表3-5-23

⑤电动机直联型双级减速机的传动比和输入功率应符合表3-5-24的规定。

表3-5-24

注:表中带“+”者表示所配电动机的功率大于减速机的设计功率,减速机应在许用输出转矩内使用或设有过载保护装置;带“-”者表示所配电动机的功率小于减速机的设计计算。

⑥单级减速机的输出轴许用转矩应符合表3-5-25的规定。

表3-5-25

表3-5-26

表3-5-27 单级卧式摆线针轮减速机外形尺寸(mm)

表3-5-28 双级卧式摆线针轮减速机外形尺寸(mm)

表3-5-29 单级立式摆线针轮减速机尺寸(mm)

⑦双级减速机的输出轴许用转矩应符合表3-5-26的规定。

(3)安装、联接及外形尺寸

①单级卧式减速机(包括电动机联型)的安装、联接及外形尺寸见图3-5-28、表3-5-27。

图3-5-28 单级卧式摆线针轮减速机

②双级卧式减速机(包括电动机联型)的安装、联接及外形尺寸见图3-5-29、表3-5-28。

图3-5-29 双级卧式摆线针轮减速机

③单级立式减速机(包括电动机联型)的安装、联接及外形尺寸见图3-5-30、表3-5-29。

图3-5-30 单级立式摆线针轮减速机

④双级立式减速机(包括电动机联型)的安装、联接及外形尺寸见图3-5-31、表3-5-30。

表3-5-30 双级立式摆线针轮减速机尺寸(mm)

图3-5-31 双级立式摆线针轮减速机

(4)轴端型式 减速机的轴伸型式一律为圆柱形,采用圆头平键联接,其尺寸应符合GB1569-79《圆柱形轴伸》和GB1095-79《平键和键槽的剖面尺寸》的规定。

2.X系列行星摆线针轮减速机 天津减速机厂目前生产的X系列行星摆线针轮减速机,按结构分为卧式、立式、双轴型、直联型4种。

(1)减速机的型号

(2)确定机型号

按表3-5-31、表3-5-32查取。

表3-5-31 传动比与机型号(一级)

注:表中10kW以下的均为4极电机;17kW以上的为6极电机。

表3-5-32 传动比与机型号(二级)

注:(1)未注“*”号的应在输出轴许用转矩(kW·m)范围内使用,使用时应在输出轴上安装安全装置,以防止给减速机过大的转矩。

(2)带“* *”的可以使用电机的全容量,但使用有制动器电机时,由于启动停止频繁及制动转矩产生过负荷。应选用带“*”号的。

(3)现有机型号

一级有:0、1、2、3、4、5、6、7、8、9、10、11、12。

二级有:42、53、63、64、74、84、85、95、106、117。

三级有:742、842、853、953、1063、1174。

选用三级减速机时,要气厂方具体洽商。

(4)外形及安装尺寸

一级卧式行星摆线针轮减速机见图3-5-32、图3-5-33、表3-5-33、表3-5-34。

图3-5-32 一级卧式行星摆线针轮减速机XWD型

图3-5-33 一级卧式行星摆线针轮减速机XW型

表3-5-33 一级卧式行星摆线针轮减速机(XW型)尺寸

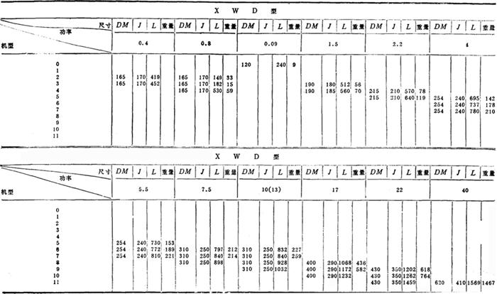
表3-5-34 一级卧式行星摆线针轮减速机(XWD型)尺寸

注:(1)表3-5-33、3-5-34中所列尺寸单位为mm,重量单位为kg,功率单位为kW

(2)所用电机为JAO2安全防爆型尺寸(改型专用)。

(3)D1D2轴颈配合为k6。

一级立式行星摆线针轮减速机见图3-5-34、图3-5-35、表3-5-35、表3-5-36。

图3-5-34 一级立式行星摆线针轮减速机(WLD)型

图3-5-35 一级立式行星摆线针轮减速机(XL)型

表3-5-35 一级立式行星摆线针轮减速机(XL型)尺寸

表3-5-36 一级立式行星摆线针轮减速机(XLD型)尺寸

注:(1)表3-5-35、3-5-36中重量单位为kg,尺寸单位为mm,功率单位为kW。

(2)所用电机为JAO2安全防爆型尺寸(改型专用)。

(3)D1D2轴径配合尺寸为k6。

两级卧式行星摆线针轮减速机见图3-5-36、图3-5-37、表3-5-37、表3-5-38。

图3-5-36 两级卧式行星摆线针轮减速机(XWED型)

图3-5-37 两级卧式行星摆线针轮减速机(XWE型)

表3-5-37 两级卧式行星摆线针轮减速机(XWE型)尺寸

表3-5-38 两级卧式行星摆线针轮减速机(XWED型)尺寸

注:(1)表3-5-37、3-5-38中,尺寸单位为mm,重量单位为kg。许用转矩单位为kg·m,功率单位为kW。

(2)所用电机为JAO2安全防爆型尺寸(改型专用)。

(3)D,D1轴径配合为k6。

两级立式行星摆线针轮减速机见图3-5-38、图3-5-39、表3-5-39、表3-5-40。

图3-5-38 两级立式行星摆线针轮减速机(XLED型)

图3-5-39 两级立式行星摆线针轮减速机(XLE型)

表3-5-39 两级立式行星摆线针轮减速机(XWE型)尺寸

表3-5-40 两级立式行星摆线针轮减速机(XLED型)尺寸

注:(1)表3-5-39、3-5-40中,所列尺寸单位为mm,重量单位为kg,许用转矩单位为kg·m,功率单位为kW。

(2)所用电机为JAO2防爆型尺寸(改型专用)。

(3)D、D1颈轴配合为k6。

随便看

 

文网收录3541549条中英文词条,其功能与新华字典、现代汉语词典、牛津高阶英汉词典等各类中英文词典类似,基本涵盖了全部常用中英文字词句的读音、释义及用法,是语言学习和写作的有利工具。

 

Copyright © 2004-2024 Ctoth.com All Rights Reserved
京ICP备2021023879号 更新时间:2026/4/18 20:50:25