卡板式校轨尺采用的是将卡板与标准校轨尺结合的校轨尺,比标准校轨尺更精确,适用于对轨道要求更高的高速电梯校轨中(速度2.0m/s以上)。
卡板式校轨尺包括:卡板、限位板、校轨尺身、刻度板等几部分。
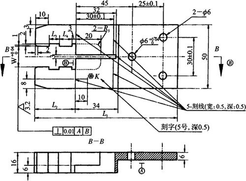
1.卡板
卡板结构如图4.3-8所示。

图4.3-8 卡板式校轨尺卡板结构示意
材料要求:45钢
工艺要求:
(1)去毛刺、锐角。
(2)皮质处理,硬度220~240HB。
(3)整体镀锌。
表4.3-2 卡板式校轨尺卡板尺寸

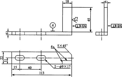
2.限位板
限位板结构如图4.3-9所示。

图4.3-9 卡板式校轨尺限位板结构示意
材料要求:A3钢板,厚6mm。
工艺要求:
(1)去毛刺、锐角。
(2)整体镀锌。
(3)直角处倒角0.5×45°。
3.校轨尺身
校轨尺身结构如图4.3-10所示。

图4.3-10 卡板式校轨尺尺身结构示意
材料要求:A3钢板,厚2mm。
工艺要求:
(1)去毛刺、锐角。
(2)除锈、喷防锈漆、灰漆,或整体镀锌。
(3)RG为标准导轨距,根据实际尺寸设计。
(4)*为标称轨距的数值。
4.刻度板
刻度板如图4.3-11所示,可以直接用市场购买的150mm直钢板尺截取制作。

图4.3-11 卡板式校轨尺刻度板示意
卡板式校轨尺整体装配如图4.3-12所示。

图4.3-12 卡板式校轨尺整体装配示意
表4.3-3 卡板式校轨尺零部件表

工艺要求:
(1)装配时应保证A、B、C三点成一直线,直线度偏差≤0.3。
(2)装配后通过移动序号12来保证尺寸L等于RG(标准导轨距)。
(3)该校轨尺适用于速度≥2m/s的电梯。