图8.3-1为上海申都仪表零件厂生产的压铸模标准模架。表8.3-1和图8.3-2分别为模架与压铸机选用参考表。

图8.3-1 压铸模标准模架
表8.3-1 模架与机床选用参考表


注:1.本标准的模具在安装时均考虑从压铸机上方吊入。
2.本标准的模具规格,以安装于国产压铸机型谱系列为主。


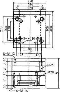
(a)2530型


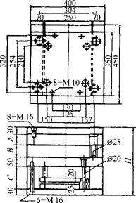
(b)3035型


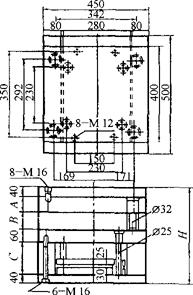
(c)3540型


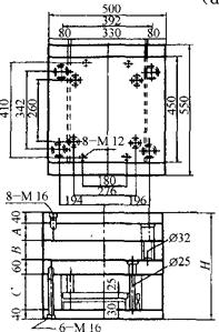
(d)4045型


(e)4550型
图8.3-2 模架系列结构
选用压铸模标准模架的方法与选用注塑模标准模架的方法基本相同。只是模板的材质不同,与金属液体直接接触的成型零件(包括型腔、型芯、浇口套、分流锥、镶块等)要用耐高温材料:3Cr12W8V或4Cr5MoSiV;4Cr5W2SiV;4Cr5MoSiV1;4Cr4MoWSiV。