网站首页  词典首页

请输入您要查询的字词:

 

字词 双相不锈钢焊接热影响区(HAZ)的相转变及析出相
类别 中英文字词句释义及详细解析
释义

双相不锈钢焊接热影响区(HAZ)的相转变及析出相


(1)热影响区相变特点

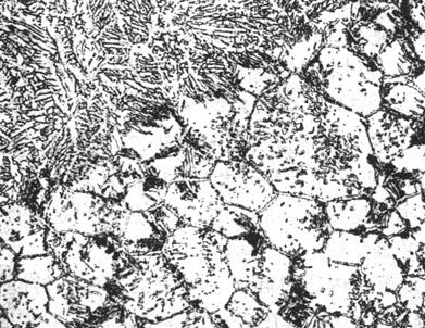
双相及超级双相不锈钢在供货状态(通常是1050~1100℃水淬固熔处理),其相比例是F∶A=50∶50,这是由其化学成分和热处理工艺决定的理想状态。而焊接是一个再加热过程,全部热循环包括加热和冷却两个阶段,在加热阶段将发生奥氏体向铁素体的转变,在紧邻焊缝熔合线的1370℃以上部分,将形成以铁素体为主或完全铁素体的组织。而在随后冷却阶段再次发生铁素体→奥氏体的转变,但这一转变通常不能达到未焊之前F∶A=50∶50的理想相比例,这是因为焊接热循环进行得很快,焊后自然状态不能充分完成铁素体转变为奥氏体的过程。一般热影响区达到30%以上的奥氏体即可认为达到了符合要求的相比例(如图2-15)。因为奥氏体通常在铁素体晶内和晶界形成并环绕铁素体,就可满足防止铁素体晶粒的长大以及改善HAZ的塑性和耐蚀性能的要求。

图2-15 2205(UNSS31803)典型焊接接头组织(×100)

热影响区的相比例与焊接热输入有密切关系,采用高热输入焊接时,热影响区在高温停留的时间较长,有利于F→A转变,从而对保证热影响区的相比例有利,当焊接接头需要二道以上的多道多层焊时,焊接热影响区经过二次以上的循环,从而增加了高温1000℃以上停留时间,更有利于F→A的进一步转变,热影响区的性能更加理想。采用低热输入焊厚截面的工件时,热影响区可能得到过量的铁素体。因此控制焊接热输入,是保证焊接接头性能的最重要的措施,所以从改善热影响区性能来看也要严格控制焊接规范。

(2)析出相

双相不锈钢在温度低于1000~280℃的范围内、不会发生F→A的转变,但有可能析出有害的金属间化合物、碳化物、氮化物等。图2-16是22.5.3双相不锈钢的等温转变(TTT)图,表明在HAZ温度降到1000℃以下有可能发生的析出相情况。图2-17是超级双相钢连续冷却时的冷却速度和析出相的关系。

图2-16 2205双相不锈钢(UNS31803)母材的TTT图

图2-17 超级双相不锈钢连续冷却时的TTT曲线图(1080℃加热)

UNS S32760-00Cr25Ni7Mo3.5WCuN;UR 52N+-00Cr25Ni7Mo3.5CuNi

表示典型的焊接HAZ冷却速度

在1000~600℃之间可能析出X、σ相以及Cr2N。特别是X析出时间更短(见图2-17)。如图中所示的冷却速度1000℃/h和650℃/h,X、σ相来得及析出,所以为了防止X、σ相的析出,在低于1000℃以后冷却速度应当很快。而现代双相不锈钢的碳含量控制得均很低(通常实际产品C≤0.02%),因此热影响区的Cr23C6的析出并不突出。Cr2N、CrN这类氮化物在铁素体基体上和晶界形成可引起脆化,这种情况往往是由于铁素体相中过饱和的氮的影响。通常含氮高的2507超级双相钢HAZ发现Cr2N、CrN的机会多一些。

多道焊接时,HAZ多次经受热循环的影响,其受热时间是累计的,所以有害的金属间化合物(σ、X)氮化物的析出更加容易。

在500~280℃的温度范围内会引起α′相形成的有序化转变过程,但需要较长的保温时间。在475℃时转变过程时间最短,在280℃温度条件下双相和超级双相不锈钢焊缝金属长时间(超过10000h)保温,表现出严重脆化现象。说明双相钢焊件的使用温度不应超过280℃。

综上所述,双相不锈钢的焊接比较复杂。无论是对于焊缝还是焊接热影响区,都希望焊后在高温区的冷却速度不要过快,以便于铁素体向奥氏体转变(最好形成30%以上的奥氏体)。而同时又希望焊后在低温(1000℃以下)阶段冷却速度要尽可能快,防止有害的金属间化合物的析出。为此通常是在遵照表2-16推荐的焊接热输入基础上,根据具体的结构、钢材的厚度、接头形式、焊接工艺制定焊接规范,通过工艺试验或工艺评定,最终选择合适的焊接参数。

随便看

 

文网收录3541549条中英文词条,其功能与新华字典、现代汉语词典、牛津高阶英汉词典等各类中英文词典类似,基本涵盖了全部常用中英文字词句的读音、释义及用法,是语言学习和写作的有利工具。

 

Copyright © 2004-2024 Ctoth.com All Rights Reserved
京ICP备2021023879号 更新时间:2025/10/17 16:19:40