网站首页  词典首页

请输入您要查询的字词:

 

字词 圆锥定位件
类别 中英文字词句释义及详细解析
释义

圆锥定位件


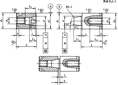
圆锥定位件如图3-23和表3-18所示。

图3-23 圆锥定位件

标记示例:d=6mm的圆锥定位件,定位件φ6mm

表3-18 圆锥定位件(GB4169.11—84)(mm)

注材料:T10A(GB1298—86)。

技术条件:①热处理58—62HRC,锥形部位研配,贴合面不少于80%;②图中标注的形位公差值按GB1184—80的附录一,t为5级;③图示倒角不大于0.5×45°;④其它按GB4170—84。

随便看

 

文网收录3541549条中英文词条,其功能与新华字典、现代汉语词典、牛津高阶英汉词典等各类中英文词典类似,基本涵盖了全部常用中英文字词句的读音、释义及用法,是语言学习和写作的有利工具。

 

Copyright © 2004-2024 Ctoth.com All Rights Reserved
京ICP备2021023879号 更新时间:2026/4/18 18:44:38