网站首页  词典首页

请输入您要查询的字词:

 

字词 大模板的施工
类别 中英文字词句释义及详细解析
释义

大模板的施工


大模板工程施工的机械化程度高,不同的组合方案具有不同的施工程序和施工方法,必须根据其工艺特点,合理地进行施工组织设计,保证工程施工有条不紊地开展。

(一)内外墙全现浇的大模板施工

采用内外墙现浇大模板施工,建筑物的施工缝很少,结构的整体性好,造价比外墙预制低。但模板型号较多,支模工序复杂,湿作业相应较多,模板周转较慢,高空作业危险。

1.施工材料

外墙外混凝土可分为两种,一种是采用轻集料混凝土,另一种是采用普通混凝土。内墙一般是采用普通混凝土。

当内墙采用普通混凝土、外墙采用轻集料混凝土时,由于两种混凝土的密度和收缩率不同,在接缝处容易出现裂缝,一般应采用先浇内墙后浇外墙的方法。当内外墙同时浇筑时,应在内外墙交接处设置钢板网,防止内墙混凝土流入外墙,影响外墙的热工性能,同时也避免发生裂缝。

当内外墙均采用普通混凝土时,由于外墙的热工性能比较差,在华北、西北和东北等地区,对外墙应进行隔热保温处理。

2.施工程序

(1)采用悬挂式外模时的施工程序如图9-17所示。

(2)采用外承式外模时的施工程序如图9-18所示。

图9-17 采用悬挂式外模时的施工程序

图9-18 采用外承式外模时的施工程序

3.支模特点

(1)外墙支模

内外墙全现浇大模板的施工,外墙的外侧的支模是施工的重点和难点。外墙的内侧模板与内墙模板一样,支撑在楼板上,相对比较容易。外墙的外模板有悬挑式和外承式两种。

1)悬挑式外模板施工。当采用悬挑式外模板施工时,其支模的顺序为:先安装内墙模板,再安装外墙的内模板,然后将外模板通过内模板上端的悬臂梁直接悬挂在内模板上。悬臂梁可采用一根槽钢焊在外侧模板的上口横筋上,内外墙模板之间用两道对销螺栓拉紧,下部靠在下层外墙混凝土壁上,如图9-19所示。

图9-19 悬挑式外模板示意图

1-外墙外模板;2-外墙内模板;3-外墙内模板

2)外承式外模板施工。当采用外承式外模板施工时,可将外墙的外模板安装在下层混凝土外面上挑出的支撑架上,如图9-20所示。支撑架可制成三角架,用L型螺栓通过下一层外墙预留孔挂在外墙上。为了保证安全,要设防护栏杆和安全网。外墙的外模板安装好后,再安装内墙模板和外墙外模板。

图9-20 外承式外模板示意图

1-外墙外模板;2-外墙内模板;3-外承架;4-安全网;5-现浇外墙;6-穿墙卡具;7-楼板

(2)门窗洞口支模

全现浇结构的外墙门窗洞口处的模板,宜采用固定在外墙内模板上的活动折叠模板。门窗洞口模板与外墙模板用合页连接。洞口模板支好后,用固定在模板上的钢支撑顶牢。

(二)内浇外挂的大模板施工

这种结构体系是我国采用较早的大模板工程,由于它将预制装配化和现场机械化施工结合起来,能充分发挥各自的特点,从而减少了高空作业和模板配置,也有利于外墙综合功能的处理,是目前应用比较广泛的一种施工形式。

1.施工程序

由于内浇外挂结构体可以分为:预制承重的外墙板,而内墙采用现浇;或者预制非承重外墙板,而内墙采用现浇;或者预制承重外墙板和非承重内纵墙板,而内墙采用现浇三种。所以,它们的施工程序是不同的

预制非承重外墙板及内墙采用现浇的施工程序如图9-21所示;预制承重的外墙板及内墙采用现浇的施工程序如图9-22所示;预制承重外墙板和非承重内纵墙板及内墙采用现浇的施工程序如图9-23所示。

图9-21 预制非承重外墙板及内墙采用现浇的施工程序

图9-22 预制承重的外墙板及内墙采用现浇的施工程序

图9-23 预制承重外墙板和非承重内纵墙板及内墙采用现浇的施工程序

2.施工工艺

(1)抄平放线

抄平放线工作是确保墙体位置正确、进行安装模板的标准,主要包括轴线、墙身线、模板就位线,门口、隔墙、阳台位置及抄水平线等。

大模板在安装之前,应将轴线从标准轴线桩引至外墙上口,再引至楼板面作为楼面轴线的依据;根据轴线放出内外墙的轴线,弹出墙身线、模板的就位线,作为安装大模板的依据,同时弹出门窗洞口、隔墙、阳台等的安装线。

每幢建筑物在适当位置应设置1~2个标准水平桩,作为施工标高控制的依据。在安装大模板前,将水平标高引测到建筑物的第一层墙上,作为控制水平线,各楼层的标高均应以此线为基线,用仪器或钢尺引测上去,每个楼层设两条水平线,一条离地面50cm,供装修工程使用;另一条距楼板下皮10cm,用以控制墙体顶部的找平层和楼板安装标高。另外,有时需要在墙体钢筋上也弹上水平线,用以控制大模板安装的水平度。

(2)绑扎钢筋

大模板施工的墙体宜用点焊钢筋网片,网片间的搭接长度和搭接部位均应符合设计中的规定。点焊好的钢筋网片在堆放、运输和吊装过程中,应采取措施防止钢筋产生弯折变形和点焊脱落。上下层墙体钢筋的搭接部分应当顺直,并绑扎牢固。双排钢筋网片之间应设置绑扎定位连接钢筋;钢筋与模板之间应绑扎砂浆垫块,其间距不宜大于1m,以确保钢筋位置准确和墙体保护层厚度。

在外墙模板安装前,应将两侧伸出的钢筋套环理直。在外墙模板就位后,两块外墙模板的套环和内墙的钢筋套环应重合,将本层的竖向钢筋插入内外墙重合的套环内,对每块外墙板和内墙,插入的套环不得少于3个,并确实绑扎牢固。

(3)大模板的处理与安装

大模板进至安装现场后,首先应做好模板安装前的一切准备工作。认真核对模板型号、清点数量,在模板背面进行编号;在模板就位前,应认真涂刷脱模剂,将安装位置的楼面清扫干净,检查墙体中心线和模板就位线,待一切准确无误后方可进行安装。

在安装模板时,应按照预先编排的顺序吊装,按墙身线就位,并通过调整地脚螺栓,用靠尺等方法反复检查校正模板的垂直度。在内外侧模板合模前,还应检查墙体钢筋、水暖电器管线、预埋件、门窗洞口模板和穿墙螺栓套管等,是否还有遗漏、位置是否正确、安装是否牢固、是否影响墙体强度等,并彻底清除模板内的杂物。

模板经过校正合格后,在模板顶部安放上口卡子,并紧固穿墙螺栓或销子。在紧固时要注意紧固适度,不可过松或过紧。为防止墙体出现漏浆烂根现象,在模板就位固定后,其周边的缝隙要用小角钢、窄钢片、木条等材料堵严。为防止模板下部漏浆,还可以采用预先在安装模板位置抹水泥砂浆找平层,待砂浆凝固后再安装模板。

门口模板的安装方法有两种:一种是先立门洞,后安装门框;另一种是直接立门框。

在采用先立门洞的方法时,如果门洞的设计位置固定,则可在模板上打眼,用螺栓固定门洞模板比较简便;如果门洞设计位置不固定,则可在钢筋网片绑扎完毕后,按设计位置将门洞模板钉上钉子,与钢筋网片焊在一起固定。模板框中部均需要加设三道支撑(图9-24),前后两面(或一面)各钉一木框(用5cm×5cm方木),使模板框侧边与墙的厚度相同。在拆除模板时,拆掉方木和木框。这种方法的模板框比较牢固,但在浇筑混凝土时,要注意两侧的混凝土浇筑高度大致相等,不得超过50cm,振捣时要注意附近挤动模框。先立门洞的缺点是拆模比较困难,门洞周围后抹的灰砂易出现开裂和空鼓。

图9-24 门口先立门洞示意图

1-门框;2-方木;3-螺栓;4-木框;5-大模板;6-混凝土

采用直接立门框的方法时,用木材或小角钢制成带有1~2mm坡度的工具式门框套模,夹住门框的两侧,使其总厚度比墙宽度大3~5mm。门框口内设计临时的或工具式支撑加固。在立好门洞口后,两边由大模板夹紧。在模板上对应门框的位置预留好孔眼,用钉子穿过孔时,将门框套模紧固于模板上。为防止门框产生移动,还可以在门框两侧钉上若干钉子,将钉子与墙体中的钢筋焊接。这种方法既省工又牢固,但要注意施工中的定位若不牢,易造成门口歪斜和移动。

另外,采用先立门洞工艺,宜多准备一个流水段的门洞模板,采取隔天拆模,以保证洞口的棱角整齐。

模板安装完毕后,应将每道墙的模板上口进行找直,并检查扣件、螺栓是否紧固,拼缝是否严密,墙厚是否准确,与外墙板拉结是否牢固。检查验收合格后,方可浇筑混凝土。

在常温条件下,墙体混凝土强度必须超过1N/mm2才能拆模。跨度大于1m的门洞口的拆模强度,不能与墙体一样,必须与设计单位共同商定,以防止门洞口产生裂缝。

在拆除模板起吊之前,应认真检查穿墙螺栓是否全部抽出,模板之间的连接件是否全部脱开。开始起吊时应采用试探性的方式轻轻提升,在吊离墙体时应垂直慢速提升,待完全无障碍后才可吊走。

(4)墙体混凝土的浇筑

为了便于墙体混凝土振捣密实,确保墙面达到平整光滑,混凝土的坍落度一般采用7~8cm,并用软轴插入式振捣棒分层进行振捣,每层的间隔时间不应超过2h,或根据水泥的初凝时间确定。为使新浇筑的混凝土与下层混凝土结合良好,在浇筑上层混凝土前,宜浇筑一层厚度为50~100mm、与原混凝土内砂浆配合比相同的水泥砂浆。

混凝土的下料点应根据实际分散布置。浇筑门窗洞口位置的混凝土时,应注意从门窗口正上方下料,这样能使其两侧同时均匀浇筑,避免发生偏移。墙体的施工缝一般宜设在门窗洞口上,连续梁跨中1/3区段。当采用组合平模方案时,可留在内纵墙和内横墙的交接处,对于接槎处的混凝土应加强振捣,保证接槎严密。

在墙体混凝土浇筑完毕后,应立即按照抄平标高进行找平,以确保安装楼板的底面平整。

(5)模板拆除与养护

在常温情况下,墙体混凝土强度超过1N/mm2时便可拆除模板。拆除模板的顺序是:首先拆除全部穿墙螺栓、拉杆及花篮卡具,再拆除补缝钢管或木方,卸掉埋设件的定位螺栓和其他附件,然后将每块模板的地脚螺栓稍稍升起,使模板在脱离墙面之前有少许的平行下滑量,随后再升起后面的两个地脚螺栓,使模板自动倾斜脱离墙面,并用起重机将模板吊起。在任何情况下,不得在墙上口晃动、撬动或敲砸模板。模板拆除后,应及时清理干净。

在拆除模板后,混凝土暴露于空气之中,很容易引起干缩而裂缝,此时必须立即对混凝土墙体进行淋水养护,一般养护时间不得少于3d,淋水的次数应根据气温、湿度、风力等确定,以能保证混凝土湿润状态为宜。有时为了加速模板的周转和提高生产效率,在配制混凝土时可掺加适量的早强剂。

(6)预制构配件的安装

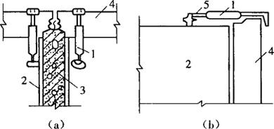
承重外墙板的安装,应在内墙模板安装就位、准确稳固后进行。外墙板与内墙模板及大角处相邻的两块外墙板应相互拉结固定,其拉结固定的连接方式如图9-25所示。

图9-25 预制外墙板与内墙大模板的连接

(a)墙板与内模的连接平面图;(b)高低可调花篮螺栓卡具

1-花篮螺栓卡具;2-大模板;3-现浇混凝土墙;4-预制墙板;5-高低调节器

为保证外墙板安装标高准确和荷载传递均匀,可在安装外墙板前,预先抹好找平层,就位时浇素水泥浆;也可预先抹好找平层,安装外墙后及时嵌填干硬砂浆,做到嵌填密实。

安装外墙板应以墙的外边线为准,做到墙面平顺、墙身垂直、缝隙一致,企口缝不得错位,防止产生歪斜和裂缝。墙板的标高必须准确,防止出现超出允许偏差。上下外墙板键槽内的连接钢筋,当采用平模时,应随时安装随时焊接;当采用筒子模时,应在拆模后立即焊接,如图9-26所示。非承重外墙板的吊装,在内墙模板拆除和上层楼板安装后进行。

图9-26 上下层外墙连接节点

1-预制外墙板;2-墙板下部顶面键槽及甩出的钢筋;3-墙板上部吊环及甩出的钢筋焊接;4-钢筋混凝土圈梁;5-水泥砂浆;6-空心楼板;7-楼地面

在安装楼板时,墙体混凝土强度必须达到4N/mm2以上。如果需要提前安装,应采取硬架支模等相应的技术措施。在安装前,应将墙顶上的杂物清理干净,楼板应顺好板端的锚固筋,按照设计要求将其弯起。楼板应当边坐浆边安装,楼板两端在墙上的搁置长度应满足设计要求。板端缝隙的处理应单独作为一道工序,用不低于C20的细混凝土灌实。

楼板安装完毕后,要及时安装楼梯、阳台、通风道等构件,并进行板缝的堵塞施工。

(7)外墙防水保温施工

外墙板防水保温工程施工要求非常严格,技术上有一定的专业性,应组成专业班组进行施工。外墙板的防水构造必须完整,尺寸和形状必须符合设计要求。如果有损伤,应在安装前加以修补;严重损坏者,不得作为构造防水墙板使用。

外墙板的立槽、腔壁应涂刷一道防水涂料。为确保防水效果,墙体防水构造比较复杂,主要由防水砂浆、防水塑料条、防水涂料、油毡、聚苯乙烯泡沫塑料、挡水台阶、披水等组成,如图9-27所示。

图9-27 外墙板防水保温构造示意图

(a)垂直缝;(b)水平缝

1-防水砂浆;2-防水塑料条;3-垂直缝空腔壁涂刷一道防水涂料;4-垂直缝空腔;5-油毡;6-聚苯乙烯泡沫塑料;7-下部外墙板;8-挡水台阶;9-披水;10-水平缝空腔;11-上部外墙板;12-圈梁;13-找平层

首层挡水台阶可采取现浇或预制构件,位置应当十分准确。现浇挡水台阶应在混凝土硬化后才可安装首层外墙板。

防水塑料条的硬度、厚度要适当,其宽度宜超过立缝宽度25mm,下端剪成圆弧形缺口,以便留排水孔。另外,要保证其位置正确,上部与挡水台阶交接要严密,可用油膏进行密封,下部要插入到排水斜坡上。

油毡、聚苯乙烯泡沫塑料板要嵌插到底,周边应封闭严密,不得鼓出和崩裂。泄水管要保持畅通,可伸出墙面15mm。

阳台板上平缝的全长,相邻的立缝和下部水平端部30cm长度范围内的缝隙,应全部用防水油膏嵌填,也可用干硬性的石棉灰水泥捻压密实。

雨篷板的平缝、立缝的防水要求与阳台板相同。女儿墙平缝和外立缝的防水要求与外墙板相同。内立缝应嵌填防水油膏,并应注意与屋面油毡搭接。

为防止油膏嵌填不牢固,在嵌填防水油膏前,必须将基层清理干净,并涂刷冷底子油一道,油膏要压接密实。外墙板上下连接键槽处,在浇筑混凝土之前,应用油毡将外侧堵严,防止漏浆将空腔堵塞。

立缝在勾砂浆时,不得将防水塑料条挤歪。排水坡处的立缝砂浆应勾成斜坡,并与排水坡相平。

(三)内浇外砌的大模板施工

内浇外砌的大模板体系是大模板剪力墙与砖混结构的结合,充分发挥了钢筋混凝土承重墙坚固耐久和砌体工程造价低的各自优势,原来主要用于多层建筑,现已用于高层外砌内浇工程,并获得巨大成功。外墙砌砖内墙大模板现浇结构如图9-28所示。

图9-28 外墙砌砖内墙大模板现浇结构

1.施工材料

内浇外砌大模板体系的施工材料,与以上两种体系不同。内墙板是采用大模板现浇混凝土,外墙采用普通空心黏土砖、加气混凝土砌块或其他砌体。这样外墙的重量可大大降低,其工程造价可大幅度减少。

2.施工程序

内浇外砌大模板体系的施工程序如图9-29所示。

图9-29 内浇外砌大模板体系的施工程序

3.技术要求

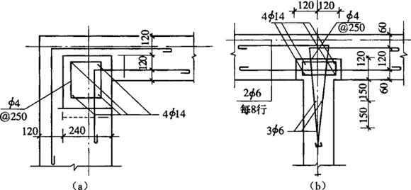
这种内墙现浇混凝土的技术要求,与以上两种现浇混凝土相同。在施工中应特别重视的技术要点为:一是墙体砌筑时,必须按设计要求正确留出缺口,按规定设置拉结钢筋,以便与内墙连接在一起;二是做好外墙转角节点和内外墙交接节点,这两个节点的构造如图9-30所示。

图9-30 外砌墙体的转角节点和内外墙交接节点

(a)外墙转角节点;(b)内外墙交接节点

随便看

 

文网收录3541549条中英文词条,其功能与新华字典、现代汉语词典、牛津高阶英汉词典等各类中英文词典类似,基本涵盖了全部常用中英文字词句的读音、释义及用法,是语言学习和写作的有利工具。

 

Copyright © 2004-2024 Ctoth.com All Rights Reserved
京ICP备2021023879号 更新时间:2025/10/16 22:23:17