加热方式为带有搅拌设备的夹套加热锅。
(一)用途与特点
是一种食品厂大量采用的间歇操作、单效真空浓缩设备。加热蒸汽通入下锅体的夹套内加热被搅拌器不断搅拌的物料使其蒸发浓缩。适于较黏稠、易结晶物料的浓缩。设备结构简单、操作控制容易,物料受热均匀但加热面积小,生产能力低。
(二)结构与工作原理
夹套式搅拌真空浓缩锅由带搅拌装置的蒸发锅、汽液分离器、止回阀、水力喷射器、水箱、多级离心水泵、仪表箱和操作台等部件组成,见图4-8-5。除搅拌真空蒸发锅外,其他附属设备同盘管式真空浓缩锅。

图4-8-5 夹套式搅拌真空浓缩锅
1-上锅体 2-支架 3-下锅体 4-搅拌器 5-减速箱 6-进出料口 7-多级离心泵 8-水箱 9-蒸汽入口 10-水力喷射器 11-汽液分离器
搅拌真空蒸发锅由上、下锅体组成。下锅内有横轴式搅拌器装置,由电动机通过三角皮带和蜗轮蜗杆传动。水力喷射器工作产生的真空将物料吸入锅内,至要求容量后,开启搅拌器搅拌物料,开启蒸汽通过夹套加热,进行浓缩至所需浓度后,解除真空开底阀出料。
(三)主要技术参数
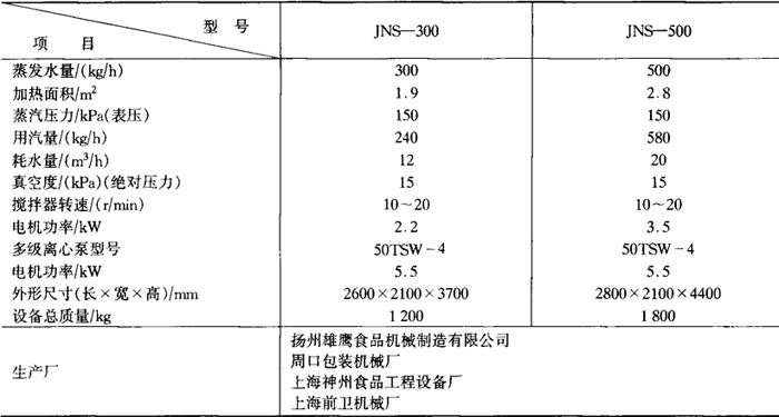
夹套式搅拌真空浓缩锅主要技术参数见表4-8-2。
表4-8-2 夹套式搅拌真空浓缩锅主要技术参数
