网站首页  词典首页

请输入您要查询的字词:

 

字词 常用材料的MAG焊规范
类别 中英文字词句释义及详细解析
释义

常用材料的MAG焊规范


1.短路过渡MAG焊

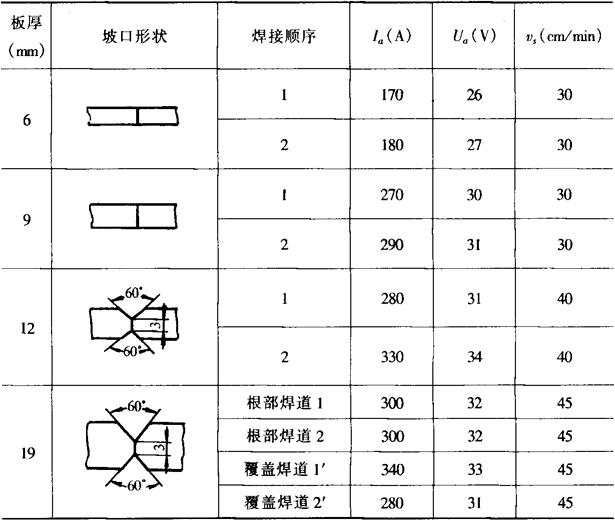
由于电弧稳定性比CO2焊好,飞溅少,更适合于小电流、细焊丝的薄板焊接。用20~30A焊接电流、0.4mm~0.6mm的焊丝,可以焊接0.4mm薄板。此时为提高电弧稳定性应使用右焊法,专用的拉丝式焊枪。为提高电弧发热量应增加CO2比例到50%。短路过渡MAG焊,不但可以实现薄板对接、角接和全位置焊接,而且可以实现10mm以下厚板全位置焊接,其焊接规范见表5-39、表5-40。

表5-39 低碳、低合金钢短路过渡MAG对接焊规范

注:表中规范基于用Ar+30%CO2,并配H08Mn2SiA焊丝。

表5-40 低碳、低合金钢短路过渡MAG角接焊规范

注:表中规范基于用Ar+30%CO2,并配H08Mn2SiA焊丝。

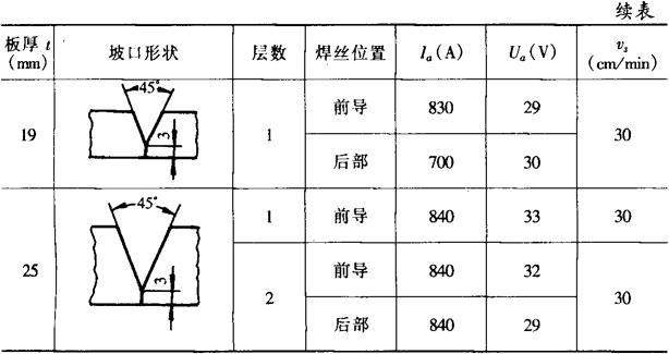
2.脉冲喷射过渡MAG焊

该焊接规范见表5-41、表5-42。

表5-41 低碳、低合金钢脉冲喷射过渡MAG焊对接规范

注:低碳钢用Ar+(10~20)%CO2;低合金钢用Ar+(1~2)%O2

表5-42 低碳、低合金钢脉冲喷射过渡MAG焊角接规范

注:焊丝直径:1.2mm;气体:Ar+20%CO2

3.喷射过渡MAG焊

不同焊丝直径焊接电流的许用范围见表5-43。

表5-43 喷射过渡MAG焊电流许用范围

4.大电流MAG焊

这种焊接方法用Ar+(10%~25%)CO2,配用钢焊丝,电弧自调节作用不强,所以只能采用电压负反馈调节方式,同时配用恒流弧焊电源。为得到良好的焊缝成形,焊接电流和焊接速度要妥善配合,其数值应在图5-20的最佳规范区内。为提高生产效率和改善焊接质量,可以采用双丝大电流MAG焊,其规范见表5-44。为加强保护作用还可以采用双层气流保护法。

5-20 大电流MAG焊焊接电流和速度取值范围

表5-44 低碳、低合金钢双丝大电流MAG焊单面对接规范

注:焊丝间距:350mm;焊丝角度:前倾10°;保护气体:Ar+10%CO2;焊丝:低碳钢(4.0mm);母材:低碳钢。

随便看

 

文网收录3541549条中英文词条,其功能与新华字典、现代汉语词典、牛津高阶英汉词典等各类中英文词典类似,基本涵盖了全部常用中英文字词句的读音、释义及用法,是语言学习和写作的有利工具。

 

Copyright © 2004-2024 Ctoth.com All Rights Reserved
京ICP备2021023879号 更新时间:2025/10/17 17:31:16