(一)用途与特点
旋转圆盘式洗罐机主要是以热水和蒸汽杀菌联合作用的清洗装置,其结构简单,易于调节和操作,占地面积小,清洗效率高。
(二)结构与工作原理
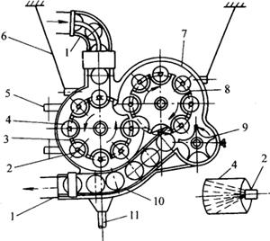
旋转圆盘式洗罐机主要由机壳、进罐槽、连接轩、旋转星形轮、蒸洗管、喷嘴传动系统、出罐槽和排水管组成。如图4-1-9所示。

图4-1-9 旋转圆盘式洗罐机
1-斜槽 2-喷嘴 3、8、9星形轮 4-金属罐 5-环 6-连接杆 7-机壳 10-滑道 11-排水管
工作时,罐首先由输送机送到进罐槽内,再进入第一个星形轮中,热水通过星形轮的空心轴,分配管和喷嘴喷入空罐内进行清洗。旋转300°后,铁罐被送入第二个星形轮中进行杀菌,再旋转225°后,由第三个星形轮拨往出罐滑道。
(三)主要技术参数
