网站首页  词典首页

请输入您要查询的字词:

 

字词 晶体管电路分析方法
类别 中英文字词句释义及详细解析
释义

晶体管电路分析方法


(一)晶体二极管分析方法

1.图解分析方法

(1)在非线性元件二极管D两端的AA′处把电路划分成线性电路和非线性电路两个部分。

(2)用图像表示非线性部分的电压电流关系,画出二极管D的正向伏安特性iD=f(VD)。

(3)用图像表示线性部分的电压电流关系:(VD=ED-iDRL),画出负载线MN;画法如下:

令iD=0则VD=ED,得M点坐标为(ED,0)

令VD=0,则,得N点坐标为(0,),连接M、N

(4)确定交点Q,Q点对应的电压电流值即为所求的解答。

2)应用举例

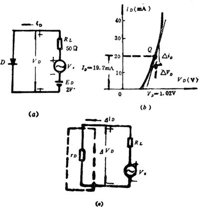
在图15-6中,给定二极管2CP10的伏安特性,当ED=2V,RL=50Ω时,用图解法决定回路电流ID及二极管两端电压VD

图15-6 简单二极管电路及图解分析

(a)电路图 (b)图解分析

1)图解分析基本步骤

解:二极管的伏安特性已给出,可按下述步骤求解;

(1)在图上画负载线MN

令iD=0,VD=2V得M点(2V,0);

令VD=0,,得N点(0,40mA)连接M、N两点,得负载线MN。

(2)确定工作点Q

由图15-6(b)可知工作点Q对应的电压电流值分别为ID=19.7mA,VD=1.02Vc

2.微变等效电路分析法

1)基本步骤

(1)用图像表示二极管D的电压电流关系,画出二极管D正向伏安特性iD=f(VD)。

(2)略去交流信号Vs,求出二极管D的直流部分工作点Q。

(3)在工作点Q处,过Q点作一条与伏安特性相切的直线,这条直线的斜率就是在给定工作点Q处的微变电导gD或微变电阻rD。值得注意的是:gD(rD)与工作点Q密切相关,Q变化gD(rD)亦发生变化。

(4)gD求出后,可按线性电路计算图15-7中的电流变化量。注意:微变等效电路是针对微小增量而提出的,只能用来计算变化量,不能用来计算工作点Q处的电流ID和电压VD,也不能用来计算总的电流iD和电压VD。

图15-7 微变等效电路分析

(a)电路图 (b)切线等效 (c)微变等效电路

2)应用举例

在图15-7中,如Vs=0.02sinωt(V),RL=50(Ω),用微变等效电路法计算回路中交变电流最大值Imax及二极管两端交变电压最大值Vmaxo

解:(1)由特性曲线决定工作点处的rD

rD决定于过Q点切线的斜率,在Q附近取一个小增量△iD和△VD,如图15-7所示,这样

(2)决定rD后就可按解线性电路的方法求:Imax和Vmax(见图15-7)。

Vmax=ImaxrD=0.3154×13·3≈4.22(mV)

(二)晶体三极管放大电路分析方法

1.图解法

对图15-8(a)所示电路进行图解分析,其步骤是:

(1)把电路分成非线性和线性两个部分。非线性部分包括非线性元件——半导体三极管和确定三极管“偏流”的元件Eu和Rb,线性电路部分包括EC和RC串联电路。

(2)作出电路非线性部分的伏安特性——三极管的输出特性,由于三极管的偏流已由EB及Rb所确定,即(μA),所以UcE和ic的关系就是三极管对应于iB=IB=40μA的一条输出特性曲线,见图15-8(b),即

(3)作出线性部分的伏安特性——直流负载线。线性部分的电压电流关系由下列方程所确定:

UCE=EC-iCRC

令iC=0,得UcE=EC=12V,在图15-8(b)中找到UCE=12V的M点。

图15-8 三极管放大电路图解分析示意图

令vCE=0得,在图15-8(b)中找到ic=3mA的N点。

连接MN两点,这条直线的斜率-1/RC是由集电极负载电阻RC确定的,由于所讨论的是静态工作情况,电路中的电压电流都是直流量,所以MN线称为放大器的“直流负载线”。

(4)由电路的线性与非线性两部分伏安特性的交点确定静态工作点Q为IB=40μA,Ic=1.5mA,VCE=6V〔见图15-8(b)〕。

(5)接入正弦信号vi,则在三极管基极和发射极之间的电压vBF=VBF+vic根据vBF的变化规律,便可在输入特性上画出对应的iB的波形图:例如vi=0.2sinωt,则在图中可画出对应于峰值为0.02V的输入电压,基极电流iB将在60μA与20μA之间变动。

(6)在直流负载线上找出iB分别等于60μA、20μA的点Q′、Q″点,Q′Q″通称常为“动态工作范围”。

(7)根据Q′Q″点可以作出iC、vCE的电压波形图〔见图15-8(c)〕。

2.微变等效电路法

(1)条件:输入交流信号电压很小。

(2)方法:用已知网络的特性方程,画出等效电路,从而可以把三极管这个非线性元件所组成的电路当作线性电路来处理。

(3)三种基本组态放大电路的等效电路图见表15-15:表中β为电流放大系数;rbe为三极管共发射极接法时的输入电阻。β及rbe均可用h参数测试仪测得。

3.晶体三极管静态工作点估算法

估算公式列于表15-15。

表15-15 放大电路三种基本组态的比较

随便看

 

文网收录3541549条中英文词条,其功能与新华字典、现代汉语词典、牛津高阶英汉词典等各类中英文词典类似,基本涵盖了全部常用中英文字词句的读音、释义及用法,是语言学习和写作的有利工具。

 

Copyright © 2004-2024 Ctoth.com All Rights Reserved
京ICP备2021023879号 更新时间:2025/10/19 10:25:21