晶闸管的导通和阻断是由阳极电压UAK和电流IA及控制极电流IG等决定的,这几个量的相互关系常用伏安特性曲线表示,如图8-2所示。

图8-2 晶闸管阳极伏安特性曲线
由图8-4可知,晶闸管伏安特性曲线可分为第Ⅰ象限正向特性和第Ⅲ象限的反向特性。在第Ⅰ象限正向特性区域,当门极(控制极)断开,即晶闸管控制极电流IG=0的情况下,阳极、阴极间加正向电压,当此电压小于某一数值范围时,阳极电流一直很小,这个电流称为正向漏电流。这时,晶闸管处于正向阻断状态,当正电压升高到某一数值,虽然IG=0,晶闸管也会由阻断状态突然转化为导通,这时的电压称为正向转折电压UBG。

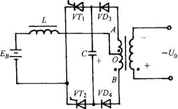
图8-4 单相并联逆变电路
当控制极加上正向电压即IG>0时,晶闸管仍有一定的正向阻断能力,但此时使它从正向阻断转化为正向导通所需要的阳极电压值,比正向阻断电压值要低,IG越大,低得越多。特性曲线上画出了几条控制极电流对晶闸管转折电压影响的曲线。
晶闸管导通后可以通过很大的电流,而它本身的压降只有1V左右,因此这段曲线靠近纵轴而且陡直。
在第Ⅲ象限反向特性区域,晶闸管的反向伏安特性与一般二极管相似,当反向电压在某一数值以下,只有很小的反向漏电流,即晶闸管处于反向阻断状态。当反向电压升高到某一数值,反向漏电流急剧增大,这时所对应的电压称为反向击穿电压URG。
由以上分析可知晶闸管元件实际上是一种理想的无触点开关元件。
在晶闸管的应用中,也正是利用晶闸管正向特性中的可控单向导电性,晶闸管元件加上正向阳极电压时,门极(控制极)电流Ig使元件从正向阻断状态转为正向导通状态,因此晶闸管是一个可控的无触点开关元件。