| 释义 |
CB-P系列齿轮泵
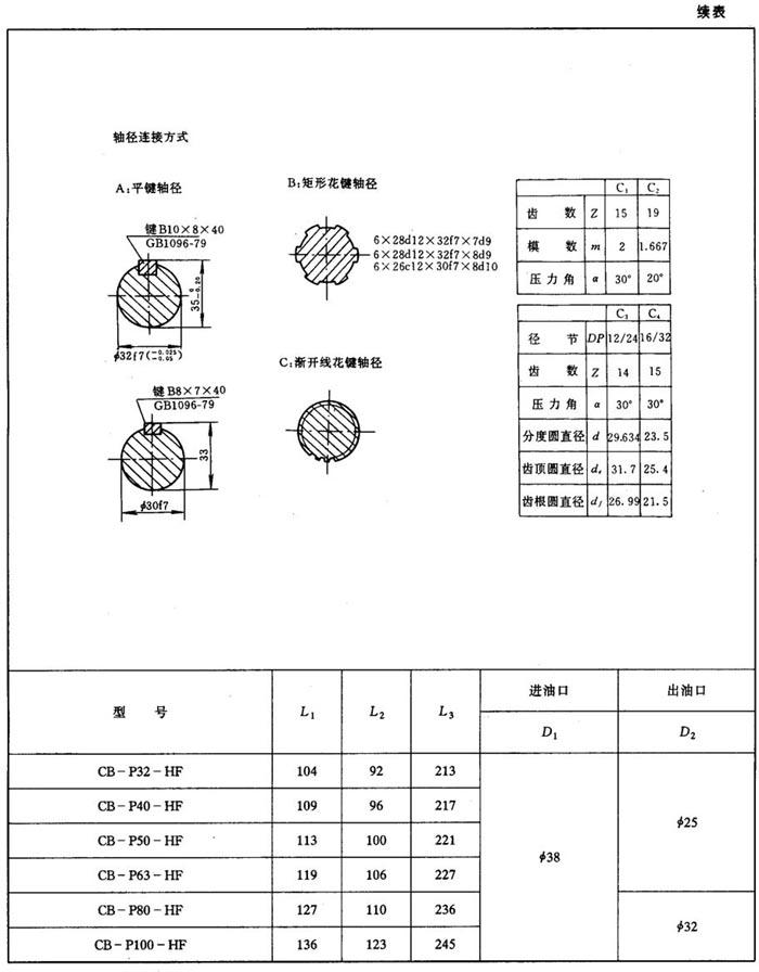
该泵体采用铝合金、液态模锻新工艺。齿轮采用双模数,双压力角渐开线非对称齿形。轴向采用压力自动补偿,径向采用齿顶扫镗的密封形式。徐州高压齿轮泵厂生产。 (1)型号说明 CB-P 63 -H F * ❶ ❷ ❸ ❹ ❺ ❻ ❶ 名称:齿轮泵 ❷ 系列代号 ❸ 排量 ❹ 压力等级:20MPa ❺ 法兰连接 ❻ 旋向:左旋不注 (2)性能参数 见表13.5-36。 表13.5-36 CB-P系列齿轮泵性能参数  (3)外形及安装尺寸 见表13.5-37。 表13.5-37 CB-P系列齿轮泵外形安装尺寸   |