网站首页  词典首页

请输入您要查询的字词:

 

字词 焊接结构图
类别 中英文字词句释义及详细解析
释义

焊接结构图


(一)焊接方法的表达及代号

1.焊接方法的代号

按照GB5185-85《金属焊接及钎焊方法在图样上的表示代号》的规定,用阿拉伯数字代号表示各种焊接方法,并可在图样上标出,常用焊接方法及代号见表4-14。

表4-14 常用焊接方法代号(摘自GB5185-85)

2.焊接方法的表达

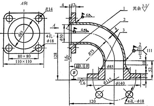
图4-14表示用焊条电弧焊焊成的挂架焊接方法,焊角为5mm的角焊缝。

图4-14 挂架焊接方法标注(单位:mm)

1.侧板 2.上平板 3.肋板 4.圆筒

当一张图纸上全部焊缝采用同一种焊接方法时,焊缝代号中的焊接方法代号可以省略,但必须在技术条件或其他技术文件中注上“全部焊缝均采用××焊”;当大部分焊接方法相同时,可在技术条件或其他技术文件中注明“除已注明焊缝的焊接方法外,其余均采用××焊”等字样。

(二)焊缝的表达及符号

1.焊缝的图示法

焊缝是焊件经焊接后在焊接接头处所形成的结合部分,焊缝形式主要有对接焊缝和角焊缝等,焊接接头形式主要有对接、T形接、角接及搭接接头等,如图4-15所示。

图4-15 焊缝形式及画法

a.对接焊缝及画法 b.T形接焊缝及画法 c.搭接焊缝及画法 d.角接焊缝及画法

在技术图样中,一般按照GB/T324-88规定的焊缝画法,简易绘制焊缝可用视图、剖视图、剖面图或轴测图示意表示。在视图中焊缝用一系列细实线段表示,也可用特粗线表示,但同一图样中只允许采用一种画法。在剖视图或剖面图中,金属的焊缝断面需涂黑,这是焊缝的规定画法。

2.焊缝的符号表示方法

焊缝符号一般由基本符号与指引线组成,必要时还可以加上辅助符号、补充符号和焊缝尺寸符号。

(1)基本符号:是表示焊缝横截面形状(图4-16b)的符号,如表4-15所示。

图4-16 焊缝尺寸及标注符号

a.焊缝尺寸符号 b.焊缝放大图 c.指引线符号

表4-15 焊缝基本符号及标注方法(摘自GB/T324-88)

(2)辅助符号:是表示焊缝表面形状特征的符号(表4-16),不需要确切地说明焊缝的表面形状时,可以不用辅助符号。

表4-16 焊缝辅助符号及标注方法(摘自GB/T324-88)

(3)补充符号:是为了补充说明焊缝的某些特征而采用的符号,如表4-17所示。

表4-17 焊缝补充符号及标注方法(摘自GB/T324-88)

(4)焊缝尺寸符号:是用字母代表焊缝的尺寸要求,是基本符号必要时可附带的尺寸符号及数据,如图4-16a所示,GB/T12212-90规定如表4-18所示。

表4-18 焊缝尺寸符号(摘自GB/T12212-90)

(5)指引线符号:指引线由带箭头的箭头线和基准线两部分组成,如图4-16c所示。基准线由两条相互平行的细实线和虚线组成,且一般与标题栏的长边相平行,必要时也可与标题栏的长边相垂直。

箭头线用细实线绘制,箭头指向有关焊缝处,必要时允许箭头线弯折一次,当需要说明焊接方法时,可在基准线末端增加尾部符号(表4-17)。

(三)焊缝的标注方法

1.基本符号的标注(表4-15)

例如V形焊缝,若焊缝在接头的箭头侧,则将基本符号标在基准线的实线一侧;若焊缝在接头的非箭头侧,则将基本符号标在基准线的虚线一侧(表4-19中第四图例等)。

表4-19 基本符号与辅助符号组合的标注方法(摘自GB/T324-88)

2.基本符号与辅助符号组合的标注

基本符号与辅助符号组合的标注见表4-19。

3.焊缝简化标注(表4-20)

由于焊缝图示方法和非简化标注,相对比较复杂,而现场施工部门对经常施工图样比较熟悉。为提高设计效率,焊缝可允许简化标注。如图4-17a中第三图示的对称焊缝的简化标注法为“””,可不画虚线。

表4-20 焊缝简化标注(摘自GB/T12212--90)

图4-17 焊缝尺寸符号及标注原则

a.基本符号相对基准线的位置 b.焊缝尺寸标注

4.焊缝尺寸符号及数据的标注

焊缝尺寸符号及数据的标注原则如图4-17b所示。

(1)焊缝横截面上的尺寸数据标在基本符号的左侧。

(2)焊缝长度方向的尺寸数据标在基本符号的右侧。

(3)坡口角度、坡口面角度、根部间隙等尺寸数据标在基本符号的上侧或下侧。

(4)相同焊缝数量及焊接方法代号标在尾部。

(5)若需标注尺寸数据较多又不易分辨时,可在数据前面增加相应的尺寸符号。

焊缝位置的尺寸不在焊缝符号中标出,而是标注在图样上(图4-17a)。在基本符号右侧既无任何标注又无其他说明时,意味着焊缝在工件的整个长度上是连续的;在基本符号左侧既无任何标注又无其他说明时,表示对接焊缝要完全焊透。

5.焊缝画法及标注综合实例

焊缝画法及标注综合实例如表4-21所示。

表4-21 焊缝画法及标注综合实例

(四)焊接结构图绘制

焊接图是表示焊接部件或焊接结构的工程图样。它除了一般工程图样应具有的基本内容外,还必须根据焊接标准,在图中加以必要的标注或说明。按照焊接件结构的复杂程度不同,可有以下两种画法。

1.整体式画法

这种画法的特点是图上不仅表达了各零件的装配、焊接要求,而且还必须表达其他加工所需要的全部内容,这种图要求把零件或构件的全部结构形状、尺寸和技术要求都表达得完整、清晰。因此,表达内容和零件图基本相同,一般不必再画零件图。图4-18所示为两端装焊法兰盘和底盘弯管头的整体式焊接图。

图4-18 弯管头的整体式焊接(单位:mm)

1.法兰盘 2.弯管 3.底盘

图4-18弯管头为化工设备上的一个焊接件,由法兰盘、弯管和底盘三个零件组成,其材料均为Q235A。法兰盘和弯管的内焊缝代号为”,其中“”表示角焊缝表面凹陷;弯管和底盘间焊缝为“”,其中“”表示该焊缝为Ⅰ形圆周焊缝,对接间隙b=2mm;“”表示环绕工件周围的焊缝,且在施工现场,全部采用焊条电弧焊。

2.组合式画法

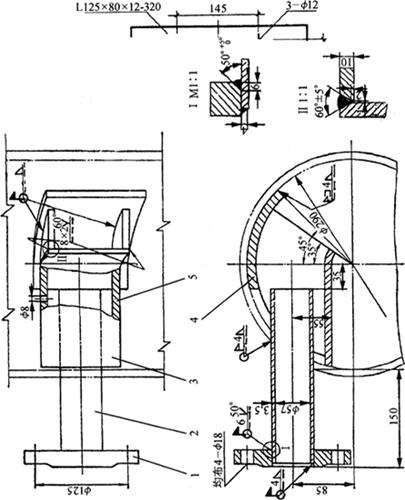
这种画法的特点是图上只着重表达装配连接关系、焊缝要求等,而其中每一零件或构件需另画零件图表示,即焊接图相当于一张组件装配图,零件图补充说明各零件的具体情况,它适用结构比较复杂的焊接结构件,如图4-19所示。

图4-19 进料管的组合式焊接图

1.平焊法兰 2.接管 3.内侧板 4.防冲板 5.上下护板

图4-19为进料管总图。进料管是化工精馏过程中常压精馏塔的一个部件,由6个零件组成,其材料均为Q235A,全部采用焊条电弧焊装配。其中平焊法兰、接管先焊接在一起做成进口,内侧板、防冲板、上下护板焊接在一起做成出口。然后将出口先放入塔体内焊接在塔体上,再将进口的接管由塔体外穿入塔体焊接而成。

在主视图上的焊缝代号“”中,两条斜向指引线所指处的上下两块护板的焊接要求相同,“”表示角焊缝,焊角高度为4mm,“O”表示环绕上下护板的周围均需在现场进行焊接。

主视图上的焊缝代号“”及局部放大图Ⅱ,共同表达上下护板和内侧板的焊接要求,其中“Y”表达带钝边的V形焊缝,熔透深度S=8mm,钝边高度P=2mm,对接间隙b=1mm,坡口角度α=60°。

俯视图中的焊缝代号“”及局部放大图Ⅰ,共同表示平焊法兰、接管的焊接要求,其中“V”表示单边V形焊缝,坡口角度α=50°,熔深S=6mm;焊缝代号“”中,“”是现场符号,表示进料管出口部分焊好后放入塔体内,在现场焊接在塔体内壁上;“”是三面焊缝符号,表示防冲板的四周有三条边需要焊在塔壁上。

俯视图中的焊缝代号“”中的“”表示由平焊法兰和接管组成的进口先焊好后,在现场再焊接在塔体上。

随便看

 

文网收录3541549条中英文词条,其功能与新华字典、现代汉语词典、牛津高阶英汉词典等各类中英文词典类似,基本涵盖了全部常用中英文字词句的读音、释义及用法,是语言学习和写作的有利工具。

 

Copyright © 2004-2024 Ctoth.com All Rights Reserved
京ICP备2021023879号 更新时间:2026/4/16 11:08:02