网站首页  词典首页

请输入您要查询的字词:

 

字词 焙烤食品常用的油脂
类别 中英文字词句释义及详细解析
释义

焙烤食品常用的油脂


油脂主要用于糕点和饼干中,在面包中用量较少。常用的有植物油、动物油、人造奶油、起酥油等。方便面生产中需要使用大量的植物油。

(一)食用植物油

食用植物油中主要含有不饱和脂肪酸,其营养价值高于动物油脂,但加工性能不如动物油脂或固态油脂。糕点中常用的植物油有大豆油、棉籽油、菜籽油、花生油、香油、玉米胚油、茶油、葵花籽油、核桃油、米糠油、棕榈油、椰子油和可可脂等。

焙烤食品加工中所使用的各种食用植物油的质量必须符合有关国家标准或行业标准,符合相应的食品卫生标准GB 2716-1988《食用植物油卫生标准》。

GB 2716-1988《食用植物油卫生标准》中的感官指标要求:食用植物油具有正常的色泽、透明度、气味和滋味,无焦臭、酸败及其他异味。

食用植物油卫生理化指标见表1-1-53和表1-1-54。

表1-1-53 食用植物油卫生标准(GB 2716-1988)

注:理化检验方法中的过氧化值百分数计算结果乘以78.8即得meq/kg值。

表1-1-54 食用植物油理化标准

食用植物油根据精制程度和商品规格可分为普通(精制)植物油(Refined oil)、高级烹调油(High grade cooking oil)和色拉油(Salad oil)3个档次品级。

普通食用植物油是以各种食用植物油料籽为原料,经压榨、溶剂浸出精炼或用水化法制成的食用植物油。对于棉籽油、米糠油等还需进行精炼,以除去其中的有害物质制成精炼油后才能食用。

高级烹调油是各类食用植物毛油,经精炼制成的气味、滋味良好、色浅、高烟点的油脂产品,适用于烹调和其他需要较高质量油脂的场合(如作为人造奶油、起酥油的原料油)。

色拉油是以菜籽、大豆、花生、棉籽、玉米胚芽等毛油,经脱胶、脱酸、脱色、脱臭、(脱蜡)、(冬化)等工序加工精制而成的高级食用植物油。色拉油又称清洁油,已成为人们食用植物油市场的主流产品,是具有发展前景的食用精炼油。

色拉油即凉拌油(生食油),要求其颜色要淡、气味和滋味纯厚,贮藏时稳定性高,能耐低温。一般市售色拉油要求在0℃时1h内不混浊,在冷库中(5~6℃)能长期贮藏。

色拉油不含胆甾醇,在高温下不起沫、无油烟。为我国焙烤食品工业发展提供了优质的基础原料。

我国精炼食用植物油和高级烹调油卫生标准参见GB 15197-1994《精炼食用植物油卫生标准》,其卫生要求见表1-1-55。

表1-1-55 精炼食用植物油卫生要求(GB 15197-1994)

色拉油卫生标准参见GB 13103-1991《色拉油卫生标准》,其卫生指标见表1-1-56。

表1-1-56 色拉油卫生指标(GB 13103-1991)

注:砷、铅为非必检项目。

我国高级烹调油技术要求参见GB/T 17757-1999《高级烹调油通用技术条件》,其技术要求见表1-1-57。

表1-1-57 高级烹调油技术要求(GB/T 17757-1999)

高级烹调油的标志、标签、包装容器及包装材料应符合国家标准的有关规定和要求。包装容器必须专用、清洁、干燥和密封,应符合食品卫生和安全要求。产品应贮藏于阴凉、干燥和避光处。不得与有害有毒物品同库存放。在运输中要注意安全,防止日晒、雨淋、渗漏、污染和标签脱落。散装运输要用专车,保持车辆清洁、卫生。

1.大豆油(Soybean oil)

大豆油是从大豆中提取的,油色呈淡黄至棕黄色,具有豆油香味和豆腥味,泡沫大。大豆油是世界上消费最多的油,常作为油炸制品用油以及人造油脂的原料。

在焙烤食品中使用时最好高温脱臭。普通大豆油的起酥性比动物油或固态油差,颜色较黄,故用于糕点和饼干中效果不理想。东北地区还常用于面包生产中。

大豆油中亚油酸含量高,不含胆甾醇,是一种很好的营养食用油,消化率高达95%,长期食用对人体动脉硬化有预防作用。

大豆油根据其加工精制程度和质量标准可分为普通大豆油、高级大豆烹调油和大豆色拉油三个品级。高级大豆烹调油主要作烹调油或作人造奶油、起酥油的原料油。大豆色拉油则主要用做凉拌油或蛋黄酱、调味油的原料油。

各种大豆油的质量指标见表1-1-58。

表1-1-58 各种大豆油质量标准

2.花生油(Peanut oil)

花生油是从花生中提取出来的油脂。我国华北、华东等盛产花生的地区多用这种油作为焙烤食品的原料。花生油的色泽分淡黄、橙黄、棕黄色,具有花生油特有的香味和滋味,与其他植物油比较,黏度大、泡沫大、泡沫洁白,并且不易消失。

花生油的重要特征是饱和脂肪酸含量较高,为13%~22%,特别是其中存在的高分子脂肪酸,如花生酸和木焦酸。因此,在我国北方,春、夏、秋季花生油为液态,冬季则成为白色半固体状态。花生油是人造奶油的良好原料。

各种花生油的质量指标见表1-1-59。

表1-1-59 各种花生油质量标准

3.香油(Seame oil)

香油是从芝麻籽粒中提取的,它含有特有的香基原子团,香气浓厚,俗称香油。我国华中、华北地区为主要产区。

根据香油的香味特点,可将其分为两类:香油和普通香油。香油具有浓郁或显着的香油香味,按其加工工艺又分为以水代法加工制取的小磨香油和以机械方法加工制取的机制香油;普通香油香味清淡,用一般的压榨法、浸取法或其他方法加工制取。

香油中含不皂化物较多,其中大部分是甾醇,油中含有的特殊成分芝麻酚,具有抗氧化作用,所以香油较其他植物油不易酸败。芝麻酚的水解产物与糠醛作用产生红色反应,据此可以用来鉴别香油的存在。

一般香油的油色呈棕黄至棕红色,具有香油特有的香味和滋味,无泡沫,经剧烈振摇后出现微量气泡,并很快消失。

香油价格较贵,多用于高档糕点的馅料中,也有用于饼干和糕点的皮料中作为增香剂。当将其加入焙烤食品中,在烘焙时,使低分子脂肪酸挥发,香味更加浓郁,食用时风味清雅。有促进食欲的显着作用。

香油的质量指标见表1-1-60。

表1-1-60 香油质量标准(GB/T 8233-1987)

4.葵花籽油(Sunflowerseed oil)

葵花籽油是世界上消费量仅次于大豆油的食用油脂。葵花籽油具有诱人的清香味,且含有十分丰富的营养物质。葵花籽油熔点低(17~24℃),清淡易消化,消化率为98%。

葵花籽油的亚油酸的含量高于豆油、花生油、棉籽油、香油。高浓度的亚油酸在营养学上具有重要意义。葵花籽油还含有十分丰富的维生素E(约0.12%),胡萝卜素约0.045%,植物甾醇0.4%,磷脂0.2%。这些成分和亚油酸相互作用,进一步增强了亚油酸降低胆甾醇的功效。故在植物油中葵花籽油具有较高的降低胆甾醇的功能。

各种葵花籽油的质量指标见表1-1-61。

表1-1-61 各种葵花籽油质量标准

5.菜籽油(Repeseed oil)

菜籽油是从油菜籽粒中提取的。毛菜籽油为深黄色或琥珀色,精制菜籽油为金黄色。一般菜籽油具有菜籽油特有的气味和辛辣味,泡沫大,泡色青黄,将油涂于白色物体表面呈青黄色的油膜。

我国四川、江苏、浙江和西南各省是菜籽油的主要产区。菜籽油中含有57%的芥酸、35%的油酸,其他为亚麻酸和亚油酸等。菜籽油除食用和制作糕点外,还可作为工业原料。

高级菜籽烹调油主要用做烹调油和人造奶油、起酥油、调和油的原料油;菜籽色拉油用做凉拌油或作蛋黄酱、调味油等的原料油。

各种菜籽油的质量指标见表1-1-62。

表1-1-62 各种菜籽油质量标准

6.棉籽油(Cottonseed oil)

棉籽油是从棉籽中榨取,经精炼而成的一种食用油脂。棉籽油分为毛油和精炼油。

毛棉油内含有棉酚,又称棉籽醇,系萘的衍生物,为弱酸性有毒物质,以有毒的游离状态和无毒的化合状态存在。一般毛棉油中棉酚含量在0.24%~0.4%,毒性较强,不能食用。研究证明,过量的棉酚进入人体之后,重者可危及生命,轻者则使人慢性中毒,造成生殖系统功能紊乱,影响身体健康。因此,我国食用植物油卫生标准规定毛棉油不得食用,精炼棉籽油游离棉酚含量不超过0.02%。

精炼棉籽油是营养价值比较高的食用油,也是我国北方地区人民常食用的一种油脂,它可以在焙烤食品中使用。因其熔点较高,适于做人造奶油的原料。

棉籽油有精炼棉籽油、棉籽高级烹调油和棉籽色拉油3种。各种棉籽油的质量标准见表1-1-63。

表1-1-63 各种棉籽油质量标准

7.米糠油(Rice bran oil)

米糠油是从米糠中提取的油脂,为稻谷加工的副产品。每加工100kg大米可得米糠5~7kg,米糠中含油16%~21%,其出油率为10%~13%。我国是以大米为主食的国家,利用米糠制油是一种很好的谷物油脂资源。

米糠油含有75%~80%的不饱和脂肪酸,其中油酸40%~50%、亚油酸29%~42%和亚麻酸1%,米糠油的维生素E含量高达90~163mg/100g。米糠油含有一定数量的谷维素,也是一种生理活性物质。米糠油还含有0.75%的甾醇,0.5%的磷脂,3%~5%的糠蜡。

食用米糠油分精炼米糠油、米糠高级烹调油、米糠色拉油3种,各种米糠油的质量指标见表1-1-64。

表1-1-64 各种米糠油质量标准

8.玉米胚油(Corn oil)

玉米胚油是从玉米胚中榨取出来的玉米胚毛油经水化脱胶或碱炼脱酸工艺制成的。玉米胚油香气诱人,清淡、味道好,无刺激味,容易消化吸收,货架寿命长,具有较高的营养价值,在国内外受到高度重视和应用。

玉米胚油中含有40%~60%的亚油酸,1%的亚麻酸,对大多数人来说,每天食用一汤匙(约15g)就可满足人体对必需脂肪酸的需要。玉米胚油中脂肪酸主要是多不饱和脂肪酸,不含胆甾醇,长期食用玉米胚油可减少对饱和脂肪酸和胆甾醇的吸收,改善血脂代谢,防止心血管疾病,预防高血压。玉米胚油还含有较多的维生素E,具有抗氧化功能。

玉米胚油可用于人造奶油、起酥油、色拉油、快餐食品、面包、糕点、家庭烹调等方面。

玉米胚油的质量标准参见ZB X 14013-1989《玉米胚油》,其技术要求见表1-1-65。

表1-1-65 玉米胚油质量标准(ZB X 14013-1989)

9.椰子油(Coconutoil)

椰子油是从新鲜并经干燥的椰子仁中提取精炼而得。椰子油的脂肪酸组成中不饱和脂肪酸所占比例很小,其中油酸为5%~8.3%、亚油酸为1%~2.6%。饱和脂肪酸中将近一半是月桂酸(45%~51%),还有相当一部分是低相对分子质量的饱和脂肪酸。脂肪酸组成中为15%~20%为挥发性脂肪酸,2%为水溶性挥发性脂肪酸,而水溶性挥发性脂肪酸构成的脂肪是椰子香气的来源。

椰子油在常温下呈固体,熔点为20~28℃,凝固点为14~25℃。椰子油与众不同的是,当增加一定温度时并不是逐渐软化,而是在几度的温度范围内,由脆性固体骤然转变为液体,可给人一种清凉愉快的感觉。

椰子油氢化后其熔点、硬度和稳定性均有所提高。氢化椰子油还具有一般植物油所缺少的优点,在硬度、脆性、黏度、稠度、流散性、稳定性、色泽、气味等方面具有广泛的选择性和应用的灵活性。商品氢化椰子油的熔点分别为32.2、37.8℃和43.3℃。

椰子油在糕点中多代替人造奶油使用。

精炼椰子油的质量标准如下:

密度(25℃)为0.916,熔点为25℃,凝固点在14~25℃,水分<1.5%,酸度<1%(以乳酸计),碘价为8~10,皂化价为253~268。

10.食用棕榈油(Edible palm oil)

棕榈油是由棕油果(棕榈树果实)的果肉提炼加工的食用植物油。是世界上最高产、使用最广泛的油脂之一,棕榈油目前主要作为食品工业的原料油和加工用油。棕榈油属不干性油,原产非洲西部,我国则主要从马来西亚等东南亚国家进口。

棕榈油的脂肪酸组成与其产地有关。马来西亚棕榈油的脂肪酸组成为:辛酸3.6%,癸酸3.4%,月桂酸47.4%,蔻酸15.65%,棕榈酸8.9%,硬脂酸2.1%,油酸16.7%,亚油酸2.0%。棕榈油是一种半固态油脂,其所含的短碳链脂肪酸较椰子油少,因而挥发产生的气味不如椰子油明显,并且熔点较高。

棕榈油是经过分提、精炼、加工制成的液体油或固体油脂,根据用户不同的要求,进行脱脂、脱酸、脱臭、脱氧、脱色、脱味等工艺处理,加工出低、中、高不同熔点等级的食用油。我国食用棕榈油分为3类:食用精炼棕榈油、食用精炼棕榈液油和食用精炼棕榈硬脂。

食用精炼棕榈油是棕榈毛油经精炼、未经分提工序精制而成的食用棕榈油。

食用精炼棕榈液油是棕榈毛油经精炼、分提工序精制而成的食用棕榈液油,即棕油经过冷却结晶后分馏而得到的液体部分。在温带它是完全液体状,同时也能和其他植物油脂完全调和。

食用精炼棕榈硬脂是棕榈毛油经精炼、分提工序精制而成的食用棕榈硬脂,即棕油经过冷却结晶后分馏而得的固体部分。它是一个很好的天然硬脂来源,广泛应用于起酥油、人造奶油等食品用油。

(1)食用棕榈油的质量标准。马来西亚棕榈油贸易标准见表1-1-66。

表1-1-66 马来西亚棕榈油贸易标准

我国食用棕榈油的技术要求见表1-1-67。

表1-1-67 食用棕榈油技术要求(GB/T 15680-1995)

(2)棕榈油的性能特点。棕榈油油质好。最突出的特点是发烟点高(烟点>200℃),稳定性好,使用时间长,不易氧化,气味清淡,无异味,耐贮性能更佳,是最理想的炸油之一。

棕榈油营养价值高。含有丰富的维生素A(类胡萝卜素含量为0.5~1mg/kg)、维生素E(含量为0.5~7mg/kg)、磷脂(含量为0.5~0.7mg/kg)及甾醇(含量为0.18~0.2mg/kg)。

棕榈油广泛用于面包、饼干、蛋糕、糕点等焙烤食品,炸薯条、炸薯片、炸面圈、锅巴、方便面等油炸食品、膨化及挤压食品,烹调用油及制成人造奶油、起酥油等。

用棕榈油制成的人造奶油是生产起酥面包和起酥糕点的理想油脂。由于该油脂熔点高、塑性强,易于在面团中形成多层次饼层。另外在烘焙过程中,由于该油脂比较坚韧和可塑性强,不能很快溶解,细薄的油层阻止了饼坯中蒸发的水分消散,结果形成了饼层的分离和清晰、松软的层次。

11.其他食用植物油

食用植物油中还有油茶籽油、小麦胚油、葡萄籽油、红花籽油等。因它们使用不普遍,故在此不做详细介绍。

(二)动物油

天然动物油中常用的是奶油和猪油。大多数动物油都具有熔点高,可塑性强,起酥性好的特点。

1.食用猪油(Edible lard)

猪油在中式糕点中用量很大,使用也很普遍。精制的猪油色泽洁白,可塑性强,起酥性好,但融合性较差,稳定性也较差。猪油制出的糕点品质细腻、口味肥美。

猪油最适合制作中式糕点的酥皮,起层多,酥性好,熔点高,利于加工操作。因为猪油呈β型大结晶,在面团中能均匀分散在层与层之间,进而形成众多的小层。烘焙时这些小粒子溶解使面团起层,酥松适口,入口即化。

中式糕点常用的猪油分为精制熟猪油和板丁油。精制熟猪油是由板油、网膜及肥膘熔炼而成,在常温下呈白色固体,多用于酥皮中的水油面团和大多数酥类糕点、猪油年糕等。板丁油是由猪板油制成的,多用在苏式和宁式糕饼馅中。在面包中添加4%的精制猪油,相当于添加0.5%硬脂酰乳酸钠(SSL)乳化剂的效果。

食用猪油的原料,须经兽医人员检验符合食用卫生要求。食用猪油按其技术要求分为一级和二级共两个等级。食用猪油的质量指标参见GB 8937-1988《食用猪油》,其卫生指标参见GB 10146-1988《猪油卫生标准》。

食用猪油的技术指标见表1-1-68,卫生指标见表1-1-69。

表1-1-68 食用猪油技术要求(GB 8937-1988)

表1-1-69 猪油卫生指标(GB 10146-1988)

2.奶油(Butter)

奶油又称黄油、白脱油、乳脂等。它是从哺乳动物的乳中分离得到的。一般是指从牛乳中分离出的稀奶油,经杀菌、成熟、搅拌、压炼而制成的固态产品或水分含量较低的固态产品。奶油含有80%(无水奶油为98%)以上的乳脂和少量乳固体。它因有特殊的芳香和营养价值而受到人们的普遍喜欢,奶油是制作糕点的重要原料。

奶油的脂肪酸组成中,有10%为挥发性脂肪酸,90%为不挥发性脂肪酸。其中主要的脂肪含量为:丁酸3%~3.5%,蔻酸9%~10%,棕榈酸24%~26%,硬脂酸10%~11%,油酸31%~34%,亚油酸3%~4%。

丁酸是奶油特殊芳香的主要来源,奶油中含有较多的饱和脂肪酸甘油酯和磷脂,是一种很好的乳化剂,使奶油具有良好的稳定性。加工过程中又充入1%~5%的空气,这就使奶油具有一定的硬度和可塑性,适合于西式糕点装饰和保持糕点外形的完整。

奶油的熔点为28~34℃,凝固点为15~25℃,在常温下呈固态,在高温下软化变形,这是奶油的最大弱点。

奶油在高温下易受细菌和霉菌的污染,其中的酪酸首先被分解,而产生不愉快的气味。奶油中的不饱和脂肪酸易被氧化而酸败,高温和光照也会促进氧化的进行。因此,奶油应在冷藏库或冰箱中贮藏。

奶油可分为奶油和无水奶油两类。奶油是以经发酵或不发酵的稀奶油为原料,加工制成的固态产品;无水奶油是以熔融了的奶油或稀奶油(经发酵或不发酵)为原料,经加工制成的水分含量较低的固态产品。

我国奶油的质量标准参见GB 5415-1999《奶油》,其技术要求见表1-1-70。

表1-1-70 奶油的技术要求(GB 5415-1999)

3.牛、羊脂及骨脂

牛、羊脂都有特殊气味,需经熔炼、脱臭后才能使用。这两种油脂熔点高,可塑性强,起酥性较好。在欧洲国家中大量用于酥类糕点中,便于成形和操作。但由于其熔点高于人的体温,故不易消化。

骨脂是从牛的骨髓中所提取出来的一种脂肪,呈白色或浅黄色,骨脂精炼后,可作奶油的代用品,用于油炒面,具有独特的醇厚酯香味。

(三)氢化油(Hydrogenated shortening)

氢化油又称硬化油,主要是以食用植物油等为原料,经氢化和精炼处理后所制得的食用氢化油。氢化油较高的熔点、良好的可塑性和一定的硬度,是焙烤食品最需要的工艺性能。

氢化油很少直接食用,多作为人造奶油、起酥油的原料。

可供氢化的植物油很多,有大豆油、棉籽油、菜籽油、香油、米糠油等。植物油经氢化或选择性氢化之后,脂肪酸的不饱和程度降低,其熔点升高,从液态油变成了固态氢化油。

氢化油含水量一般不超过1.5%,熔点38~46℃,凝固点不低于21℃,熔化状态的氢化油透明无沉淀。氢化油的可塑性和硬度,决定于固相与液相的比例、固相的物理性质、晶体的大小。一般固相越多,硬度越高;晶体越小,硬度越大。如果熔化的油脂迅速冷却,就会生成大量细小的晶体,油脂的均匀度和硬度增加。

我国氢化油的质量标准参见GB 17402-1998《食用氢化油卫生标准》。在标准中考虑到氢化油只作为食品工业用原料,在产品加工中还需进一步消毒,且在氢化油生产中均采用管道化生产,污染机会较少,故未确定微生物指标。

食用氢化油的卫生要求见表1-1-71。

表1-1-71 食用氢化油卫生要求(GB 17402-1998)

(四)人造奶油(人造黄油)(Margarine)

人造奶油是目前世界上焙烤食品业使用最广泛的油脂之一,又称麦琪淋和玛琪淋。

人造奶油是以氢化油为主要原料,添加水和适量的牛乳或乳制品、着色剂、食用香料、乳化剂、防腐剂、抗氧化剂、食盐和维生素,经混合、乳化、急冷等工序而制成的,具有天然奶油特色的可塑性制品。

人造奶油的软硬度可根据各成分的配比来调整,乳化性和加工性比奶油还好,是奶油的良好代用品。人造奶油广泛应用于糕点、面包、饼干生产加工中。

人造奶油的种类较多,分为家庭消费的人造奶油(强化人造奶油)和行业用人造奶油。用于焙烤食品的有以下几种:

(1)面包用人造奶油。可加入面包面团中,也可进行面包的装饰和涂抹。如加入甜面包、咸面包等各种大小面包中,涂抹在烤面包片上,作为丹麦式起酥面包的起层涂抹用油。可以缩短面团发酵和饧发时间,降低面团黏性使之有利于操作。改善面包的品质,使组织更加均匀、松软,体积增大,延长面包保鲜期,并使面包有奶油风味。

涂抹面包片的人造奶油,应很容易涂在面包上,在口内易于溶化,味道应与奶油相似。加入面团内的人造奶油应具有良好的乳化性。

(2)起酥制品用人造奶油。这种油脂熔点高,塑性强,起酥性好。适用于起层次的酥皮、千层酥、酥皮面包、丹麦式起酥面包等。起酥制品的面团一般都较软,延伸性好,如果人造奶油太软,在包油、折叠时无法形成层次,而且易于熔化,渗入面团内,失去了起层效果,即所谓“混酥”。如果人造奶油太硬或太脆,在包油、折叠时易穿破面团,即所谓“穿酥”。

(3)通用人造奶油。这是一类适用性很强的人造奶油,在任何气温下都具有可塑性和充气性,一般熔点较低,口溶性好,可塑性范围宽,具有起酥性。可用于糕点、饼干、重油蛋糕、面包等食品。

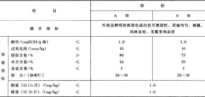
我国供直接食用或用做食品加工的人造奶油的质量标准参见ZB X 14010-1987《人造奶油(人造黄油)》,其技术条件见表1-1-72。

表1-1-72 人造奶油(人造黄油)技术条件(ZB X 14010-1987)

注:以脂肪为基础的熔点可根据用户要求确定。

人造奶油的卫生指标参见GB 15196-1994《人造奶油卫生标准》,其卫生要求见表1-1-73。

表1-1-73 人造奶油卫生要求(GB 15196-1994)

(五)起酥油(Shortening oil)

起酥油是指动、植物油脂的食用氢化油、高级精制油或上述油脂的混合物,经过速冷捏合制造的固状油脂,或不经速冷捏合制造的固体状、半固体状或流动状的具有良好起酥性能的油脂制品。起酥油由100%的脂肪组成,常加入抗氧化剂BHA和维生素E。起酥油不同于人造奶油,不能直接供人们食用,起酥油具有良好的可塑性、乳化性等加工性能。几乎可用于所有的食品中,其中以糕点、面包、饼干等焙烤食品的用途最广。国外也常用起酥油加工油炸食品。

起酥油的外观呈白色或淡黄色,质地均匀,无杂质,具有良好的滋味、气味。起酥油的加工特性主要是指可塑性、起酥性、乳化性、吸水性和稳定性,起酥性是其最基本的特性。

起酥油的品种很多,其分类方法也很多。按原料种类可分类为植物型、动物型、动植物混合型起酥油;按制造方式可分类为混合型和全氢化型起酥油;按是否添加乳化剂可分为非乳化型(油炸、涂抹用油)和乳化型起酥油;按性状可分为固态、液态和粉末状起酥油等。一般按用途分类为通用起酥油和专用起酥油。专用起酥油种类甚多,有面包用、丹麦式面包裹入用、千层酥饼用、蛋糕用、奶油表饰用、酥饼干用、饼干夹层用、涂抹用、油炸用、冷点心用等。

1.通用型起酥油

这类起酥油应用范围很广,但主要用于加工面包和饼干等。油脂的塑性范围可根据季节来调整其熔点,冬季30℃左右,夏季42℃左右。

2.乳化型起酥油

这类起酥油中含乳化剂较多,具有良好的乳化性、起酥性和加工性能。适用于重油、重糖类糕点、面包和饼干。可增大面包、糕点的体积,不易老化,松软,口感好。

3.高稳定性起酥油

这类起酥油可长期保存,不易氧化,起酥性好,“走油”现象减轻。因油脂熔点平均提高,适用于加工饼干及油炸食品。全氢化植物起酥油多属于这类型。

4.面包用液体起酥油

这种油以植物油为主要成分,添加了适量的乳化剂和高熔点的氢化油,使之成为具有加工性能、乳白色、并具有流动性的油脂。乳化剂在起酥油中作为面包的面团改良剂和组织柔软剂,适用于面包、糕点、饼干等的自动化、连续化生产。

5.蛋糕用液体起酥油

在大豆油、棉籽油等油脂中添加10%~20%的乳化剂(单甘酯、卵磷脂、山梨糖醇酐酯),制成悬浊液,一般为乳白色乳状液体。用于蛋糕加工时,便于处理和计量,并有如下特点:

(1)有助于蛋糕液发泡。使蛋糕柔软,有弹性,口感好,体积大。

(2)特别适用于高糖、高油的奶油蛋糕。因液体起酥油乳化性强。

(3)蛋糕气孔微密、壁薄、无大孔洞、组织均匀。

(4)风味好并且稳定,保存期可延长2~3d。

(5)打蛋时间短,几乎不发生黏着现象。

(6)不损伤鸡蛋的起泡性,消泡作用很小。

(7)面糊的稳定性好。

起酥油生产所用的油脂原料必须是符合食用质量标准和卫生标准的食用氢化油或高级精制油。

我国起酥油的质量标准参见SB/T 10073-1992《起酥油》,其技术要求见表1-1-74。

表1-1-74 起酥油技术要求(SB/T 10073-1992)

注:气体含量不作考核指标。

随便看

 

文网收录3541549条中英文词条,其功能与新华字典、现代汉语词典、牛津高阶英汉词典等各类中英文词典类似,基本涵盖了全部常用中英文字词句的读音、释义及用法,是语言学习和写作的有利工具。

 

Copyright © 2004-2024 Ctoth.com All Rights Reserved
京ICP备2021023879号 更新时间:2025/10/16 18:48:33