网站首页  词典首页

请输入您要查询的字词:

 

字词 电子式时间继电器
类别 中英文字词句释义及详细解析
释义

电子式时间继电器


1.适用范围

电子式时间继电器适用于交流50Hz(60Hz),额定工作电压380V及以下或直流24V及以下的控制电路中作延时元件,按预定的时间接通或分断电路。

2.结构特征

电子式时间继电器具有体积小、重量轻、结构紧凑、延时范围广、延时精度高、可靠性好、寿命长等特点。

3.常用电子式时间继电器产品型号及主要技术参数

常用电子式时间继电器的延时精度≤10%,也可≤5%,电寿命1×105次,机械寿命1×106次。其他主要技术参数见表1-88。

表1-88 常用电子式时间继电器的产品型号及主要技术参数

4.常用电子式时间继电器接线图

常用电子式时间继电器接线图见图1-58。

电源

延时1转换

电源

延时1转换

电源

延时、瞬时各1转换

电源

JSZ3F/K

电源

JSZ3Y

电源

JSZ3R

图1-58a JSZ2、JSZ3接线图

图1-58b JSZ6接线图

(1)JSZ2、JSZ3接线图见图1-58a。

(2)JSZ6接线图见图1-58b。

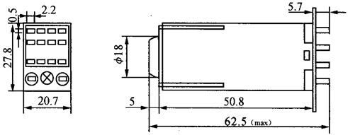
5.电子式时间继电器的外形安装尺寸

电子式时间继电器的外形安装尺寸及开孔尺寸见图1-59。

图1-59a JSZ2面板式外形和开孔尺寸

图1-59b JSZ2装置式外形和开孔尺寸

图1-59c JSZ3外形尺寸

图1-59d JSZ6外形尺寸

图1-59e JSM8外形和开孔尺寸

(1)JSZ2面板式外形和开孔尺寸见图1-59a。

(2)JSZ2装置式外形和开孔尺寸见图1-59b。

(3)JSZ3外形尺寸见图1-59c。

(4)JSZ6外形尺寸见图1-59d。

(5)JSM8外形和开孔尺寸见图1-59e。

随便看

 

文网收录3541549条中英文词条,其功能与新华字典、现代汉语词典、牛津高阶英汉词典等各类中英文词典类似,基本涵盖了全部常用中英文字词句的读音、释义及用法,是语言学习和写作的有利工具。

 

Copyright © 2004-2024 Ctoth.com All Rights Reserved
京ICP备2021023879号 更新时间:2025/10/17 11:45:06