网站首页  词典首页

请输入您要查询的字词:

 

字词 电子束焊机
类别 中英文字词句释义及详细解析
释义

电子束焊机


1.电子束焊机的组成

电子束焊机组成见图6-37。

图6-37 电子束焊机的组成简图

(a)150kW、40mA标准机型 (b)大功率机型(可焊250mm碳钢)

2.国产电子束焊机型号及技术数据

表6-17 国产电子束焊机型号及技术数据

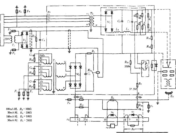
3.电子束焊机的高压电源电路

高压电源是电子束焊机的关键部件,电路如图6-38所示。T1升压,V1整流获加速电压,T3变压,V3整流供阴极灯丝电压。当加速电压高达200kV时,电焊机升压。主变压器设计,参考电子加速器的设计方案。利用分段变压器,逐级升压,使加速电压逐级升到200kV。分段变压器的磁导体结构如图6-39所示。逐级升压的整流电路接线如图6-40所示。初级△形接法,次级分成6组,电压为30kV、20kV,整流器输出电压高达200kV。要求硅管的反向击穿电压为10kV,整流电流为50mA。三相桥式回路流经每个硅管的电流约41mA。整个高压变压器与整流器置于(6~7)×10-1MPa压力下,充CO2气体的绝缘空间中,由等位环使电压均匀分布。

图6-38 电子束焊机高压电源电路图

图6-39 分段变压器磁导体结构

图6-40 分段串联高压整流电路的接线方式

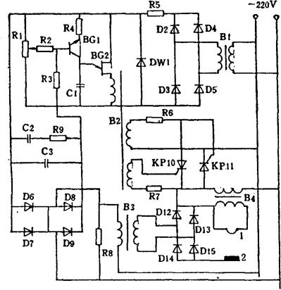
4.电子束流稳定电路

为使电子束流在电源电压波动时,能够稳定工作,采用了图6-41所示的电路。这种电子轰击预热阴极的电子枪电路,可以保证电源电压波动±15%时,轰击电流波动±0.5%,电子束流波动在10~100μA之间,反应时间小于0.1s。

图6-41 电子轰击预热阴极电子枪电路

稳定电子束流的工作原理:当电源电压降低时,由D6~D9整流器输出电压降低,使BG1的Iec增加,使BG2导通提前,使KP10,KP11的导通角加大,使灯丝1中的电流增加,使灯丝发射电子能力稳定,保证了灯丝1和阴极2之间的轰击电流维持稳定。反之电源电压提高时,KP1。,KP11的导通角相应减小,使灯丝1的加热电流维持不变,使灯丝发射电子能力维持不变,轰击电流仍维持不变。这就自动补偿了电源电压波动对电子束流的影响,使焊接功率不致因电源电压波动引起明显变化。

5.电子束焊枪

电子束焊枪是产生电子束的关键部件。按结构不同分为二极枪和三极枪两类。图6-22中的电子束产生部分,就是二极枪的示意结构图。它由阴极10、聚束极9和阳极8组成,聚束极与阴极等电位。在一定的加速电压下,通过调节阴极温度、改变阴极发射电子流数值,控制电子束流的大小。三极枪的结构如图6-42所示。由阴极1、偏压极2、阳极3组成电极系统。阳极和阴极之间的电位差即加速电压Ub。偏压极相对于阴极呈负电位。改变偏压极的位置、形状及负电位的大小,可以控制电子束流的大小和形状。

图6-42 三极电子枪结构示意图

1-阴极 2-偏压电极 3-阳极 4-聚焦线圈(电磁透镜) 5-偏转线圈 6-工件 Ub-加速电压 UB-偏压

阴极在高温下发射电子,按加热方式不同分为直热式和间接加热式两种。直热式阴极直接通电加热,加热电流的类型和大小是影响阴极寿命和电子束参数稳定的重要因素。在大多数情况下加热电流采用脉动系数小于3%的直流。加热电流应选在接近饱和区的数值,即加热电流增加,发射的束流增加速度明显减慢处的数值。间接加热式的特点是在阴极和加热灯丝之间有数千伏的电压,灯丝受热发射的电子加速撞击阴极,使阴极升温,产生热发射。这种电极的热惯性大,寿命长,形状稳定,电子束流受加热电流影响较小。

阴极的要求:使用热发射能力强且不易“中毒”的材料制造。常用钨、钽制成直热式阴极,用六硼化镧制成间接加热式阴极。阴极形状及其与偏压极之间的相对位置是影响电子束斑点位置、形状、会聚角的重要因素。因此对阴极加工安装应提出严格要求,制造时采用精加工和准确的成形技术。装配精度在0.05~0.15mm范围内。

电磁透镜:电子束流在阳极附近聚集,形成交叉点,穿过阳极孔后逐渐扩散。为使能量集中在焊件上,在电子束通道上设置一聚焦线圈,即电磁透镜。线圈中电流越强,电子束焦交角越小,斑点越小。30kW以上的大功率电子枪为增强聚焦效果,采用两级聚焦,如图6-43所示。

图6-43 双聚焦线圈的电子枪示意图

1-第一聚焦 2-第二聚焦 3-光阑 s-工作距离 α-会聚角

随便看

 

文网收录3541549条中英文词条,其功能与新华字典、现代汉语词典、牛津高阶英汉词典等各类中英文词典类似,基本涵盖了全部常用中英文字词句的读音、释义及用法,是语言学习和写作的有利工具。

 

Copyright © 2004-2024 Ctoth.com All Rights Reserved
京ICP备2021023879号 更新时间:2026/4/17 14:18:53