(一)用途与特点
碟式分离机用于液相的分离,如液-液-固或液-固的分离。其分离效果较好、分离能力较大,沉降距离小。特别适用于乳浊液的分离和含有少量固相的悬浮液的澄清。
(二)结构与工作原理
碟式分离机根据采用工艺的不同可分为澄清用和分离用两种。结构如图4-2-8,图4-2-9所示。

图4-2-8 碟式分离机转鼓结构(澄清式)

图4-2-9 碟式分离机转鼓结构(分离式)
澄清用的碟式分离机,碟片不开口,出液口只有-个,悬浮液从中心管加入,经碟片底架引到转鼓下方,重度大的固相颗粒沿碟片下表面沉积到转鼓内壁,需要定期停机从转鼓中取出。澄清液则沿碟片上表面向中间流动。由转鼓上部的出液口排出。
分离用的碟式分离机工作时,料液从中心管加入,由底架分配到碟片层的“中性孔”径里,在离心力的作用下,分别进入各碟片间,成薄层分离。轻液沿碟片上表面向中心流动,由轻液排出口排出,重液则沿碟片下表面流向转鼓外层,经重液口排出,乳浊液含有少量固相时,则沉积于转鼓内壁上,定期排渣。
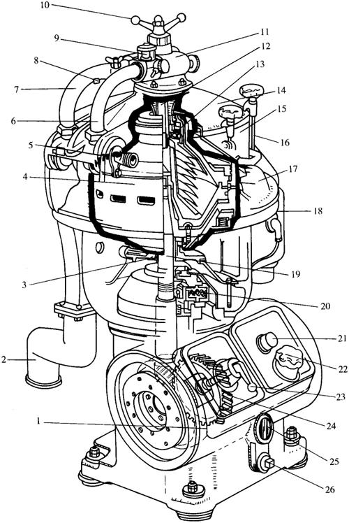
由于非自动卸渣分离机工作一段时间后,必须停机清除沉淀物,再加上清洗拆装浪费很多时间,降低了生产效率。目前经常采用自动卸渣分离机,根据排渣形式不同,分为喷嘴排渣碟式分离机和活塞排渣碟式分离机。如图4-2-10所示为活塞排渣碟式分离机。由于机器当中设有自动卸渣装置,被排出的固相颗粒可以在不停机的情况下,选择所需的控制时间和排渣间隔,顺利地将固相颗粒排出机外,提高了机器的效率。

图4-2-10 活塞排渣碟式分离机
1-摩擦联轴器 2-排渣口 3-控制液分配器 4-分离机转鼓 5-单相阀 6-轻液排出口 7-物料进口 8-水密封进口 9-出油管观察窗 10-进料管手柄 11-进料座 12-进料管 13-向心泵 14-收集盖 15-收集罩 16-压紧螺栓 17-法兰圈 18-观察箱 19-转鼓轴 20-上轴承 21-测速器 22-注油孔 23-制动手柄 24-螺旋齿轮 25-游标 26-放油孔
(三)主要技术参数


注:浙江轻工业机械厂制造。