网站首页  词典首页

请输入您要查询的字词:

 

字词 频差倍增法
类别 中英文字词句释义及详细解析
释义

频差倍增法


用普通计数器测频时,被测频率愈高,测量分辨率也愈高。但频标输出的频率一般都为5MHz,如取样时间(闸门时间)τ=1s,则分辨率仅为2×10-7。为提高分辨率,可以把被测频率倍增。但这又受两方面限制,一是僧频技术二是计数器直接测频能力。比如,欲得到τ=1s时1×10-11的分辨率,则需把频率倍增到1×1011Hz,相应的计数器也要能测如此高频,在实际上都很难做到。于是就产生了频差倍增技术,被测频率本身倍增不高,只是把被测频率与参考频率的差值倍增上去。

1.工作原理

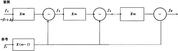
如图8.5-4所示

图8.5-4 频差倍增法

图中符号xm,x(m-1)分别为倍频器,

为混频器。

fx与fr具有相同的标称值,否则就在输入端先变成相同标称值的频率。

设fx=fr+Δf

则第一级混频器的输出频率为

f=mfx+(m-1)fr

=m(fr+Δf)-(m-1)fr

=fr+mΔf

显然,混频后只是把差频Δf倍增了m倍。

同理,第二级混频输出为

f=m(fr+mΔf)-(m-1)fr

=fr+m2Δf

依此类推,假定共有N级,则最后一级混频器的输出将为

fN=fr+mnΔf (8.5-8)

fN直接用计数器测量。

取样时间τ由计数器的闸门时间保证。

2.测量分辨率

由于对频标各项指标进行测定时,所选用的参考源的相应指标都比被测的高,故参考源即式8.5-9内的fr的不确定度对测量结果的影响可以忽略。用计数器测量fN时,±1的影响就是频差倍增法的测量分辨率。

设测量fN时,计数器的闸门时间为τ,计的数为N,代入(8.5-9)式,则有

这就是频差倍增法的测量分辨率,与直接计数法相比,相当把被测频率倍增到mnfr。例如:若fr=1MHz,m=10,n=5,则当τ=1s时,dy(τ)=1×10-11

对于fr=1MHz(频差倍增器大都如此)m=10,装置中所用的倍频器最高为10MHz,这是很容易实现的,且各级的线路均相同。

理论上,只要增加频差倍增的级数,就可相应的提高测量分辨率,例如,在上例中若n=7,则τ=1s时,dy(τ)=1×10-13

但实际上,在倍增过程中由于同频信号的相互窜扰,倍增级数很难做到6级以上,目前见到的产品最多都是到5级。

此外,测量分辨率只是可能得到的最小测量不确定度,而实际对于一台具体倍增器,所具有的测量不确定度大多比分辨率差,这主要是倍增器内噪声影响造成的。使用时一定要注意。

当被测频率与参考频率标称值不同时,进行频差倍增之前,在输入端先变成标称值相同的频率,一般是先变成1MHz。这样在用(8.5-9)式时,注意其中的fr是倍增前的参考频率,而不一定是外界直接输入的值。

【参考文献】:

[1]王义遒等,量子频标原理,科学出版社,1986。

[2]吴守贤等,时间与频率,科学出版社,1983。

[3]黄秉英等,时间频率的精确测量,计量出版社,1986。

[4]王江现代测量技术,计量出版社,1987。

[5]P. Kartaschoff ,Frequency and Time,Academic Press ,1978.

[6]J. A. Barnes et al. ,Characterization of frequency stability, IEEE Trans Instrum Meas. IM —20,p.105—120,1971.

[7]Time and frequency:Theory and Fundamentals,NBS Manograph 140,1974.

[8]D. W. Allan ,The measurement of fruquency and frequency stability of precision oscillator,Proc.6th Ann PTTI Planning Meeting.

[9]Annual Report of the BIPM Time Sectina,1974.

随便看

 

文网收录3541549条中英文词条,其功能与新华字典、现代汉语词典、牛津高阶英汉词典等各类中英文词典类似,基本涵盖了全部常用中英文字词句的读音、释义及用法,是语言学习和写作的有利工具。

 

Copyright © 2004-2024 Ctoth.com All Rights Reserved
京ICP备2021023879号 更新时间:2026/4/26 10:16:17