凸轮式往复运动机构
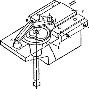
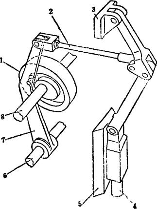
例5.2-43 双重回转凸轮机构  双槽凸轮回转两周,从动件完成一个运动周期,在凸轮上安有可动开关A和B,使从动件轮流进入各沟槽。图中,B将使滚子从动件由沟槽1向2导入。 例5.2-44 凸轮移动行程放大机构  图示为两种不同型式的凸轮移动行程放大机构。凸轮在输入轴上移动,可增大从动件的行程。从动件的总行程等于凸轮在固定滚轮上的位移与从动件对凸轮的相对位移之和。 例5.2-45 盘形槽凸轮连杆机构  曲柄滑块机构ABC的铰链B装有滚子与主动槽凸轮1配合,通过滚子带动AB与BC杆组成的肘节驱动从动滑块2作往复直线运动。该机构多用于中等速度的挤压、冷矫正等压力机械。 例5.2-46 凸轮控制肘杆式冲压机构  该机构由盘形槽凸轮1控制,通过从动摆臂7拉动连杆2驱使冲压头4和垂直滑块5一起下降,对工件进行冲压。当凸轮槽通过从动摆臂7推动连杆2时,将使冲压头4升起。图中构件3为固定支架,6和8为固定轴。该机构结构紧凑、精密,也可制成上、下双向对置肘杆机构,对工件的顶部和底部同时冲压,或以下部机构的冲压头作为上部冲压头的支承。冲压头的运动规律决定于凸轮的槽形曲面。 |