压铸件的结构工艺性
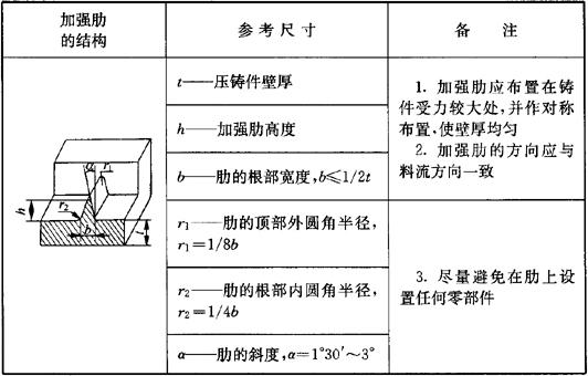
压铸件的结构工艺性合理与否,关系到能否压铸出符合使用要求的高质量压铸件。 1.壁厚 在保证压铸件有足够强度和刚度的条件下,压铸件合理的壁厚应设计成薄壁和均匀壁厚,否则会导致铸件内部组织不均匀,也给压铸工艺的实施增加了困难。最大壁厚与最小壁厚之比不要大于3∶1。压铸件的壁厚通常根据压铸件面积而定,见表3.1-5。 表3.1-5 压铸件最小壁厚和适宜壁厚  2.加强肋 设置加强肋可增加铸件的强度和刚度,还可使金属液液流通畅和消除金属过分集中而引起的缩孔、气泡和裂纹等。表3.1-6列出了加强肋的结构及参考尺寸。 表3.1-6 加强肋的结构及参考尺寸  3.脱模斜度 压铸件从压铸模中取出时,为了防止铸件受阻及划伤铸件表面,铸件上所有脱模方向的孔壁和外壁均须具有脱模斜度。表3.1-7列出了脱模斜度的参考值。 表3.1-7 脱模斜度的参考值  4.圆角 压铸件的截面形状急剧变化的部位,一般都是应力容易集中的部位,应呈圆角,以避免在压铸模和压铸件上造成应力集中而产生裂纹。表3.1-8列出了圆角的计算方法,可以在设计中参考选用。 表3.1-8 压铸圆角半径的计算 (mm)  5.孔 对一些精度要求不高的孔,可以不必再进行机械加工。各种合金的压铸件可以压铸出的孔径及孔深如表3.1-9所示。凡是孔径小于表3.1-9内所列数值的孔,一般不宜直接进行压铸,而只压铸出定位的“洋冲眼”位置。 表3.1-9 压铸件的最小孔径及孔深 (mm)  6.凸凹花纹及文字标志见表3.1-10。 表3.1-10 凸凹花纹及文字标志  7.螺纹 压铸出的螺纹牙形应成平头或圆头,可压铸的螺纹尺寸见表3.1-11。 表3.1-11 可压铸的螺纹尺寸 (mm)  8.齿轮 压铸齿轮的最小模数m见表3.1-12。 表3.1-12 压铸齿轮的最小模数  |