网站首页  词典首页

请输入您要查询的字词:

 

字词 常用滚动轴承的类型及其主要特性
类别 中英文字词句释义及详细解析
释义 常用滚动轴承的类型及其主要特性

常用滚动轴承大体有如下几种分类:

❶  按照滚动体的形状,可分为球轴承和滚子轴承。球轴承中的球与滚道表面,在理论上为点接触:而滚子轴承则为线接触(或修正线接触)。一般来说,同样的外形尺寸,球轴承比滚子轴承的承载能力和耐冲击能力低,但摩擦小,高速性能好。

❷  按所能承受载荷的方向或公称接触角的不同。可分为向心轴承和推力轴承。向心轴承指主要用于承受径向载荷的轴承,其公称接触角a为0~45°,如图4.10-1所示,包括深沟球轴承和角接触球轴承以及圆锥滚子轴承等。推力轴承则主要用于承受轴向载荷,其公称接触角为大于45°到90°,包括推力球轴承、推力滚子轴承(a=90°)和推力角接触轴承(45°<a<90°)等。

❸  按工作时能否调心,可分为刚性轴承和调心轴承。调心轴承允许的偏转角大,如图4.10-2所示。

❹  按安装轴承时其内、外圈可否分别安装,分有可分离型和不可分离型。另外,按轴承的结构,其内孔有圆柱孔和圆锥孔之分,以及有带密封装置和不带密封装置之别等。

❺  按精度等级,分为0、6、5、4及2级。其中2级精度最高,0级为普通级,另有6x级,但只用于圆锥滚子轴承。

❻  按运动方式可分为回转运动轴承和直线运动轴承。

滚动轴承内部的间隙,称为轴承的游隙。为使轴承在不同条件下均有良好的运转状态,标准中按游隙大小分成不同的组别(一般均采用基本组别)。

最常用的轴承套圈和滚动体的材料为GCr15或GCr15SiMn钢,4和2级精度的轴承用ZGCr15或ZGCr15SiMn钢。套圈和滚子的表面硬度为HRC61~65,钢球为HRC62~66(指GCr15、ZGCr15钢制)或HRC60~64(指GCr15SiMn、ZGCr15SiMn钢制,其中钢球为HRC60~66)。特殊条件下的套圈和滚动体用合金渗碳钢、合金调质钢(表面淬硬)、不锈钢或耐热钢制造。也有用非磁性材料、烧结材料或塑料制造的。保持器常用碳钢冲压而成,高速或其他特殊条件下可用铜合金、铝合金、尼龙和夹布酚醛塑料等。

适于特殊工况的轴承有:高速轴承,即Dpa(轴承节圆直径)×n(转速)>106mm·r/min;或超过一般轴承极限转速的1.6倍:高温轴承(工作温度>200℃,套圈与滚动体用耐热钢,(如Cr4Mo4V、W18Cr4-V、钴基合金、碳化钛,保持架用镀银的硅铁青铜或1Cr18Ni9Ti;工作温度>500℃,通常采用无保持架结构);低温轴承(零下60℃以下,套圈与滚动体用9Cr18,保持架用填充玻璃纤维的聚四氟乙烯,有时加入MoS2);真空轴承(套圈与滚动体用轴承钢或9Cr18制成,用硅脂润滑,采用带防尘盖或密封圈轴承。真空度特高时,用固体润滑剂,工作表面镀银、金或喷MoS2膜等);耐腐蚀轴承(套圈与滚动体用不锈钢9Cr18、Cr14Mo4,保持架用不锈钢1Cr18Ni9Ti或聚四氟乙烯,轻载时套圈用氟塑料等);防磁轴承(套圈与滚动体用铍青铜,处理后硬度为HRC36~40,保持架用聚四氟乙烯或聚甲醛)等。

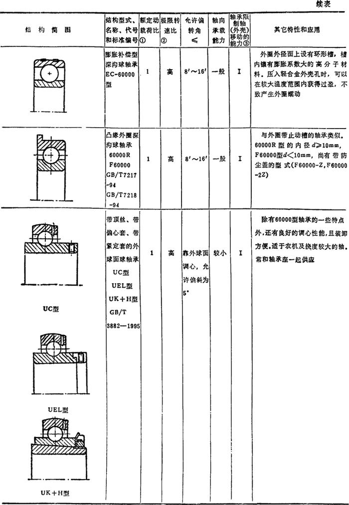
常用滚动轴承的结构型式、特性和应用见表4.10-1。

表4.10-1 常用滚动轴承的结构型式、特性和应用

注:
❶  额定动载荷比指同一尺寸系列(直径和宽度)的各类轴承的额定动载荷与深沟球轴承(推力轴承的则和单向推力球轴承比)的额定动载荷之比。

❷  极限转速比指同一尺寸系列同为普通级精度的各类轴承的极限转速(脂润滑)与深沟球轴承的极限转速之比。“高”指比值为0.9~1,“中”指0.6~0.9,“低”指0.6以下。

❸  在轴承限制轴(或外壳)移动的能力栏中:Ⅰ—轴承能将轴(外壳)的双向轴向位移限制在其轴向游隙范围以内;Ⅱ—只能限制轴(外壳)单向的轴向位移;Ⅲ—不能限制轴(外壳)的轴向位移。

随便看

 

文网收录3541549条中英文词条,其功能与新华字典、现代汉语词典、牛津高阶英汉词典等各类中英文词典类似,基本涵盖了全部常用中英文字词句的读音、释义及用法,是语言学习和写作的有利工具。

 

Copyright © 2004-2024 Ctoth.com All Rights Reserved
京ICP备2021023879号 更新时间:2025/10/17 20:02:01