网站首页  词典首页

请输入您要查询的字词:

 

字词 技术参数
类别 中英文字词句释义及详细解析
释义 技术参数

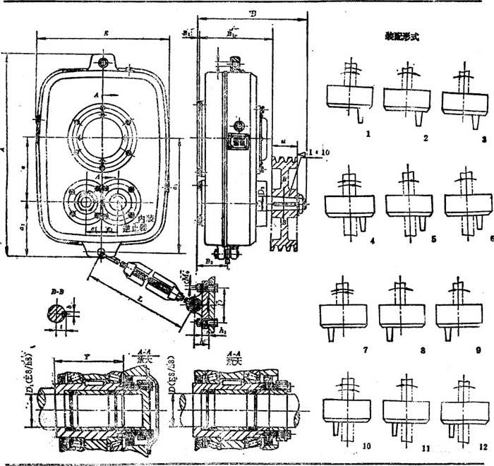
渐开线圆柱齿轮ZJ型轴装式减速器(ZBJ19015-89)适用于轴线曲折布置的平行轴,最高输入转速为1500r/min,工作环境温度为-20℃~十40℃,可双向旋转。

ZJ型轴装式减速器的代号示例:

减速器的基本参数见表6.2-45,外形、安装尺寸及装配形式见表6.2-46。

表6.2-45 ZJ型轴装式减速器基本参数

注:
❶ 额定输出转矩为平稳载荷、连续工作时的值。

表6.2-46 减速器外形、安装尺寸及装配形式(摘自ZBJ19015-89)

随便看

 

文网收录3541549条中英文词条,其功能与新华字典、现代汉语词典、牛津高阶英汉词典等各类中英文词典类似,基本涵盖了全部常用中英文字词句的读音、释义及用法,是语言学习和写作的有利工具。

 

Copyright © 2004-2024 Ctoth.com All Rights Reserved
京ICP备2021023879号 更新时间:2026/4/18 15:49:54