网站首页  词典首页

请输入您要查询的字词:

 

字词 机器人机构
类别 中英文字词句释义及详细解析
释义 机器人机构

按机器人主体机构的坐标形态,主要有直角坐标型圆柱坐标型、极坐标型、多关节型和SCARA等类型。

例5.2-217 圆柱坐标型(θSS)

该机构由水平回转θ、上下移动S和大臂伸缩S三个关节构成。常作为搬运机器人的主体机构。

例5.2-218 极坐标型(θθS)

该机构由水平回转θ、俯仰摆动θ和大臂伸缩S三个关节构成,常作为焊接、喷涂机器人的主体机构。

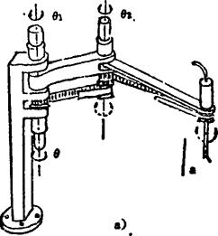
例5.2-219 SCARA型

该机构由两个(或三个)水平转动θθ和一个铅直移动S三个(或四个)关节构成。为减轻臂部重量,可引入带传动(如图a)或连杆机构传动(如图b).常作为装配机器人的主体机构。

例5.2-220 多关节型(θθθ)

该机构由1个水平转动关节θ和铅直面内的2个转动关节θθ构成。铅直面内的2个转动关节引入连杆机构传动,可有效地减小动作惯性。

例5.2-221 平行连杆式“入”型

如图所示,在传动系统中引入了平行四边形机构。将驱动电机安装在立柱附近,有利于减小动作惯性。常作为装配机器人的主体机构。

例5.2-222 6-SPS空间多闭环机构

如图示,上下两平台间由6根可变长杆分别以球面副相联接。杆长的变化由液压缸的伸缩来实现。该机构具有6个自由度,由6个驱动缸控制输出端的三维位置变化和三维姿态变化。

例5.2-223 6-PSS空间多闭环机构

如图示,下平台与6个平行安装的驱动缸构成移动副,6根定长杆分别与上平台和驱动活塞杆以球铰副相联接。该机构具有6个自由度,上平台的三维位置变化和三维姿态变化由6个驱动缸的的协调伸缩来控制。与前例相比,该机构的特点是,6个驱动缸全部安装在机座上,可降低动作惯性,易避免结构干涉。

例5.2-224 空间多闭环腕部机构

图a)、b)分别为3-SPS型、3-PSS型。其中间杆的一端与臂刚性固连,另一端与手部平板以球面副相联接。两机构均为3个自由度,分别由三个驱动缸的伸缩控制手部的三维姿态变化。

随便看

 

文网收录3541549条中英文词条,其功能与新华字典、现代汉语词典、牛津高阶英汉词典等各类中英文词典类似,基本涵盖了全部常用中英文字词句的读音、释义及用法,是语言学习和写作的有利工具。

 

Copyright © 2004-2024 Ctoth.com All Rights Reserved
京ICP备2021023879号 更新时间:2025/10/17 21:48:35