螺栓、螺柱标准件
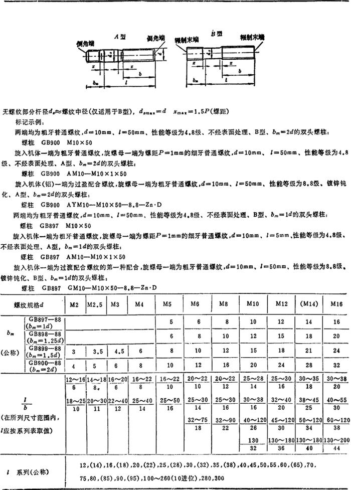
螺栓、螺柱标准件见表4.2-16~4.2-24。 表4.2-16 六角头螺栓—A和B级(摘自CB5782—86)及一细牙—A和B级(摘自GB5785—86) mm   注: ❶ GB898—88 d=M5~M20为商品规格,其余均为通用规格。 ❷ 尽可能不采用括号内的规格。 ❸ bm=d,一般用于钢对钢;bm=(1.25~1.5)d,一般用于钢对铸铁;bm=2d一般用于钢对铝合金。 表4.2-24 等长双头螺柱—B级(摘自GB901—88) mm  注: ❶ 括号内的尺寸,尽可能不采用。 ❷ 当l≤50mm或l≤2b时,允许螺栓上全部制出螺纹。但当l≤2b时,亦允许制出长度不大于4P(粗牙螺纹螺距)的无螺纹部分。 |