网站首页  词典首页

请输入您要查询的字词:

 

字词 钢丝
类别 中英文字词句释义及详细解析
释义 钢丝

见表2.3-21~2.3-26

表2.3-21 冷拉圆钢丝(摘自GB 342-82)

注:钢丝以盘状交货,也可按直条交货。直条钢丝通常长度为2~4m。

表2.3-22 一般用途低碳钢丝(摘自GB 343-82)

注:
❶ 钢丝适用于一般的捆绑、牵拉、镀锌、编制及建筑等用途。

❷ 按交货状态分为:冷拉钢丝(L)、退火钢丝(T);按用途分为:I类(一般用)、Ⅱ类(制钉用)、Ⅲ类(建筑用)。

❸ 一般用(I类)退火钢丝的σb应在290~490MPa之间。

❹ 建筑用(Ⅲ类)冷拉钢丝的σb不得低于635MPa。

❺ 经供需双方协议,直径≤3.5mm的冷拉钢丝σb可不大于880MPa。

❻ 根据需方要求,可供应英制或其它线规号的钢丝。

表2.3-23 重要用途低碳钢丝(摘自GB3083-82)

注:
❶ 钢丝适用于加固、捆绑重要机器零件用。

❷ 按交货表面情况分为:Ⅰ类—镀锌钢丝(Zd),Ⅱ类—光面钢丝(Zg)。

❸ 可以供应表内所列直径之间的其它直径的钢丝。

❹ 需方对钢号或抗拉强度有特殊要求时,由供需双方协商确定;如需方提出要求,经双方协议,可以测定钢丝电阻。

❺ 标记举例。直径为1.0mm的镀锌钢丝,标记为;Zd1.0-GB3083-82;直径为1.0mm的光面钢丝,标记为:Zg1.0-GB3083-82。

表2.3-24 优质碳素结构钢丝(摘自GB 3206-82)

注:
❶ 本标准适用于冷拉及银亮优质碳素结构钢丝,冷拉状态交货。

❷ 直径小于0.75mm钢丝的弯曲试验,可用打结拉断试验来代替,其拉断力不得小于不打结试验时拉断力的50%。

❸ 目前生产直径为0.3~8mm的钢丝,低碳钢丝材料为08、10、15、20,中碳钢丝材料为25~50。

❹ 按力学性能为两类,即硬状态和软状态;按截面形状分为三种,即圆形钢丝,方形钢丝和六角钢丝。

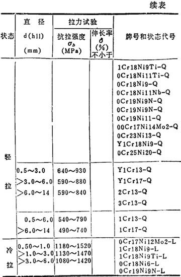
表2.3-25 不锈钢丝(摘自GB/T4240-93)

注:
❶ 本标准适用于不锈钢丝,但不适用于弹簧、冷顶锻和焊接用不锈钢丝。

❷ 表中所列的伸长率δ值不适用于Y1Gr18Ni9和Y1Cr18Ni9Se。

❸ 钢丝分三种交货状态:

软态——钢丝进行光亮热处理和热处理后酸洗或类似的处理,以R表示。

轻拉——钢丝热处理后进行小变形程度的拉拔,以Q表示,

冷拉—钢丝热处理后进行常规拉拔,以L表示。

表2.3-26 碳素弹簧钢丝ab(摘自GB 4357-89)

注:
❶ 钢丝按抗拉强度分为三级:B级—用于低应力弹簧;C级—用于中等应力弹簧;D级—用于高应力弹簧。

❷ 钢丝直径允许偏差按GB342-82中h11级的规定。

❸ 牌号及化学成分:(a)钢丝应选用GB4354和GB1298中规定的牌号制造,亦可用质量相当的其他牌号的盘条制造。(b)钢丝用盘条其磷含量不大于0.030%,硫含量不大于0.020%,

❹ 标记示例:用70钢制造的直径为3mm、直径允许偏差为h11级、C级钢丝,其标记为:

碳素弹簧钢丝

随便看

 

文网收录3541549条中英文词条,其功能与新华字典、现代汉语词典、牛津高阶英汉词典等各类中英文词典类似,基本涵盖了全部常用中英文字词句的读音、释义及用法,是语言学习和写作的有利工具。

 

Copyright © 2004-2024 Ctoth.com All Rights Reserved
京ICP备2021023879号 更新时间:2026/4/16 13:03:17