网站首页  词典首页

请输入您要查询的字词:

 

字词 型钢制件的计算展开
类别 中英文字词句释义及详细解析
释义

型钢制件的计算展开


本段主要介绍柱钢结构的料计算。型钢的连接分垂直连接和倾斜连接两种方式,其关键是如何求得全长和结合部分的尺度,以便作出端头样板并准确下料。其他如桁架、屋架结构比较简单,此略。

另外还介绍了角钢立柱和管栏杆的料计算。

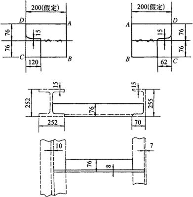
1.等边角钢与H钢、槽钢垂直拉撑料计算

如图3-159所示,左侧与H钢垂直连接,右侧与槽钢垂直连接,作端头样板的方法是:

图3-159 等边角钢与H钢、槽钢垂直拉撑施工图及展开图

①作基础实形ABCD,使长×宽=200×152(mm2)。

②在实形中作出76mm的中心线。

③在端头划出15mm、120mm(H钢)和62mm(槽钢)的缺口线。

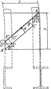
2.不等边角钢与H钢、槽钢斜拉撑料计算

如图3-160所示,左侧为不等边角钢与H钢倾斜连接,右侧与槽钢倾斜连接。下面分别叙述料计算和端头样板的作法。

图3-160 不等边角钢与H钢、槽钢斜拉撑施工图及展开图

(1)斜拉撑顶角

(2)拉撑全长

表达式推导如下(见图3-160之A放大和图3-161)。

图3-161 不等边角钢与H钢、槽钢斜拉撑计算原理图

在直角三角形ABC和A′B′C′中

在直角三角形A′E′B′和B′C′D′中

式中 x——跨度;

y——斜拉撑垂直高;

b——角钢板厚;

d——H钢腹板厚;

B1——不等边角钢大面宽。

(3)作样板方法(见图3-160)

用不等边角钢外沿的断面宽76mm、126mm共202mm作为宽,用假定的300mm(或250mm)作为长作基础实形,在其上截取长短点之差和含着部分长即为展开图。

3.H钢与槽钢垂直拉撑料计算

如图3-162所示,为H钢两端皆与槽钢垂直相连施工图,图3-163为H钢切头样板。

图3-162 H钢与槽钢垂直拉撑

图3-163 H钢(与槽钢相连)垂直拉撑切头样板

作切头样板的方法是:根据H钢规格的大小决定假设端头样板的长度,太长了会造成浪费,太短了导向范围小,本例取长度为200mm,其步骤是:

①作ABCD矩形框,使其长宽为200×213(mm),为基础实形。

②在基础实形中作出间隔140mm(腹板内腔高)和73mm(翼板内腔宽)的平行线。

③在端头再划出15mm和60mm缺口线。

④作两个正反曲样板各划一端头,即得端头切割线(作一个样板正反使用亦可)。

4.槽钢与槽钢、H钢垂直拉撑料计算

如图3-164所示,左侧为槽钢与槽钢垂直相连,右侧为槽钢与H钢垂直相连施工图,图3-165为端头样板展开图。

图3-164 槽钢与槽钢、H钢垂直拉撑

①拉撑全长L=1485mm。

②槽钢与槽钢的切头样板[见图3-165(a)]。

图3-165 槽钢与槽钢、H钢垂直拉撑切实样板

(a)与槽钢切头样板;(b)与H钢切头样板

用槽钢断面之58mm、140mm和58mm共256mm作为宽,用假定的200mm作为长,划出基础实形并引出平行线,在平行线上分别去掉含着部分长60mm和翼板厚15mm,即得切头样板。

③槽钢与H钢的切头样板[见图3-165(b)]。

同上法作出基础实形,在平行线上分别去掉含着部分长148mm和翼板厚15mm,即得切头样板。

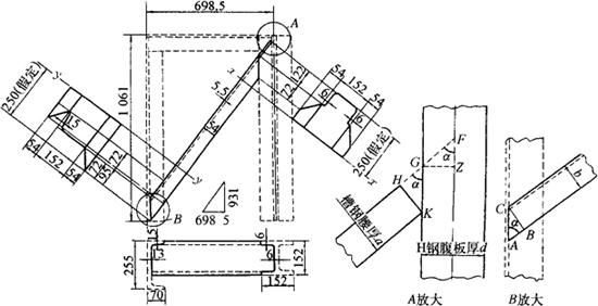
5.槽钢与槽钢、H钢斜拉撑料计算

如图3-166所示,左侧为槽钢与槽钢斜接,右侧为槽钢与H钢斜接,现将计算方法和作样板方法叙述如下。

图3-166 槽钢与槽钢、H钢斜拉撑

(1)斜拉撑顶角

(2)斜拉撑全长

表达式推导如下(见图3-166之A、B放大)

在直角三角形GHK和FZG中

在直角三角形ABC中

(3)槽钢与槽钢切头样板(见图3-167左侧)

图3-167 槽钢与槽钢、H钢斜拉撑切头样板计算原理

在直角三角形A′B′C′和A′D′E′及E′F′G′中

(4)槽钢与H钢切头样板(见图3-167右侧)

(5)作样板方法(见图3-166)

用槽钢的外沿断面宽54mm、152mm和54mm共260mm作为宽,并作平行线,用假定的250mm作为长划基础矩形,在其上分别截取以上计算各数据,即得切头样板。

以上各式中x为斜撑跨距;y为斜撑投影高;a、b分别为槽钢腰厚和翼板宽;d为H钢腹板厚。

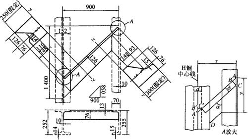
6.H钢与槽钢、H钢斜拉撑料计算

如图3-168所示,左侧为H钢与槽钢倾斜连接,右侧为H钢与H钢倾斜连接,现将计算方法和作样板方法叙述如下。

图3-168 H钢与槽钢、H钢斜拉撑

(1)斜拉撑顶角

(2)斜拉撑全长

表达式推导如下(见图3-168之A、B放大)

在直角三角形GHK和FZG及ABC中

(3)H钢与槽钢切头样板(见图3-169左侧)

图3-169 H钢与槽钢、H钢斜拉撑切头样板计算原理

在直角三角形A′B′C′和A′D′E″中

(4)H钢与H钢切头样板(见图3-169右侧)

在直角三角形ABC和ADE中

其中 x——斜拉撑跨度;

y——斜拉撑投影高;

a——H钢翼板厚;

d——H钢腹板厚;

h——槽钢大面内腔高。

(5)作切头样板方法

H钢与槽钢切头样板见图3-170,H钢与H钢切头样板见图3-171。

图3-170 H钢与槽钢斜拉撑切头样板(反曲)

图3-171 H钢与H钢斜拉撑切头样板(反曲)

用H钢内腔的断面宽73mm、138mm和73mm共284mm为宽,用假定的250mm为长作基础矩形,并作平行线,在其上截取以上计算各数据,即得切头样板。

7.工字钢加强柱料计算

如图3-172所示,为圆筒式加热炉加强柱施工图,周向共4根。其下料方法有两种,一是按外皮切断,二是按里皮切断。但要注意,按外皮切断下料时,必须按结合线方向切割,以保证均匀的组对间隙。

图3-172 加热炉加强柱施工图

图3-173为计算原理图,图3-174为展开图。

图3-173 计算原理图

(a)按外皮;(b)按里皮

(1)按外皮切断计算[见图3-173(a)]

在直角三角形ACB中

(2)按里皮切断计算[见图3-172和图3-173(b)]

在直角三角形ABC中

图3-174 加强柱展开图

(a)按外皮;(b)按里皮

8.角钢立柱与管栏杆料计算

管与角钢组焊的栏杆,有直交式和倾斜式两种,此结构的主要关键是作角钢的展开样板,可用放样法或计算法作出,本文以计算法叙述之。

(1)直交式栏杆

图3-175所示为直交式栏杆施工图,由于管体与角钢的规格稍有差别,一般应以里侧平齐为合理。

图3-175 直交的管与角钢栏杆

角钢展开图的主要关键是计算角钢和管子的结合高度,如图3-176所示,高度的计算器手工计算程序是:

图3-176 角钢展开计算原理

展开图见图3-177。

图3-177 角钢展开图

(2)倾斜式栏杆

如图3-178所示,为倾斜栏杆施工图,同上例一样,也应以栏杆的内侧平齐为合理。另一特点是,由于管体栏杆倾斜,角钢的斜面为里皮接触,弧面为外皮接触。

图3-178 倾斜的管与角钢栏杆

图3-179为展开图,图3-180为A-A断面和计算原理图,由于倾斜相交,角钢弧面处的断面是一个椭圆,半短轴为24mm,半长轴为34mm,其计算方法参见图3-178之三角形BCE。

图3-179 角钢展开图

图3-180 A-A和计算原理

24÷sin45°=34(mm)

展开料椭圆断面各数据计算如下。

设和点的横坐标为15mm和18mm,那么,各对应点的纵坐标计算器手工计算程序是:

随便看

 

文网收录3541549条中英文词条,其功能与新华字典、现代汉语词典、牛津高阶英汉词典等各类中英文词典类似,基本涵盖了全部常用中英文字词句的读音、释义及用法,是语言学习和写作的有利工具。

 

Copyright © 2004-2024 Ctoth.com All Rights Reserved
京ICP备2021023879号 更新时间:2026/4/10 23:48:44