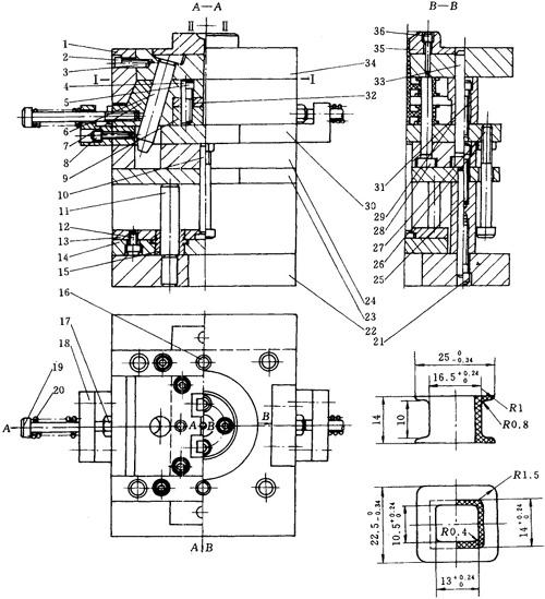
该模具型腔分为两层,一模可成型四个塑件,使模具结构紧凑,提高了生产效率。模具采用斜导柱分型机构,斜导柱、楔紧块均设在定模,拼合滑块设在动模的推件板上。
开模时,模具沿Ⅰ-Ⅰ面分型,同时斜导柱6带动滑块7向两侧分开。塑件留于型芯28上,由推杆10推动推件板30将塑件从型芯28上刮落。见图5-18。

图5-18成型线圈骨架的叠式注塑模具
1—锁模楔 2—螺钉 3、4—销钉 5—螺钉 6—斜导柱 7—滑块 8螺栓 9—型腔板 10—推杆 11—-导柱 12—螺钉 13—推杆固定板 14—推板 15—带头导套 16—销钉 17—螺母 18—定位块 19—螺钉 20—弹簧 21—螺钉 22—动模座板 23—支承板 24—固定板 25—螺钉 26—螺母 27—螺钉 28—型芯 29—侧导板 30—推件板 31—螺钉 32—隔板 33—带头导柱 34—定模座板 35—浇口板 36—螺钉