网站首页  词典首页

请输入您要查询的字词:

 

字词 排气槽的设计
类别 中英文字词句释义及详细解析
释义

排气槽的设计


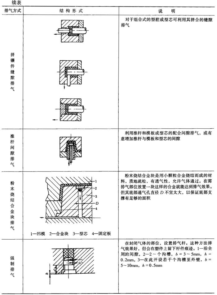
注射过程中需排出的气体主要有两种:一是浇注系统和模腔内的空气,二是塑料熔体分解放出的少量气体和低分子挥发物。这些气体在成型过程中必须及时排出。常见的排气方式见表4-16。

表4-16 常见的排气形式

表4-17 常用塑料排气槽深度

随便看

 

文网收录3541549条中英文词条,其功能与新华字典、现代汉语词典、牛津高阶英汉词典等各类中英文词典类似,基本涵盖了全部常用中英文字词句的读音、释义及用法,是语言学习和写作的有利工具。

 

Copyright © 2004-2024 Ctoth.com All Rights Reserved
京ICP备2021023879号 更新时间:2025/10/16 17:43:31