5.1.1 正弦波荡振器的基本原理
正弦波振荡器包含放大电路、正反馈电路和选频电路。正弦波振荡电路维持稳定振荡的条件,是如图8.3-28所示闭环回路的总增益具有对频率的选择性,即
(ω0)·
(ω0)=l
式中 ω0为振荡器的振荡频率。上式可分解成两部分;

图8.3-28 正弦波振荡器原理框图
幅值条件:总幅值等于1,即
|
(ω0)|·|
(ω0)|=1
相位条件:总相位等于零,即
φA+φF=2πn(n是整数)
除此之外,还要求基本放大电路的放大倍数应随振荡电压的幅度变化,即当由于任何偶然因素使振幅增大时,电路总增益应小于1,使振幅自动减小:反之,当由于任何偶然因素使振幅减小时,电路总增益应大于1,使振幅自动增大。
正弦波振荡器采用的振荡电路,有LC、RC和石英晶体振荡电路等。其中.LC振荡器的种类,电路形式、振荡频率、起振条件和适用频率范围等见表8.3-21。由电感和电容组成选频网络的LC振荡电路,常用来产生高频。
表8.3-21 三种LC振荡器的比较

注:①本节表示频率的各公式中,若电阻的单位为欧、电容的单位为法、电感的单位为亨,则频率的单位为赫。

由电阻和电容组成选频网络的RC振荡电路,常用来产生音频范围(几赫至几十千赫)的正弦波。图8.3-29所示是RC桥式振荡电路。它是具有正反馈的两级阻容耦合放大电路。电路中当R1=R2=R,C1=C2=C,并且只有在f=f0=1/2πRC时,u0与u1同相,此时Ul/U0=1/3.电路中调节电位器RF,可调节负反馈量。引入负反馈后,还可提高振荡电路的稳定性和改善输出电压的波形。RF若用具有负温度系数的热敏电阻代替,还可起到自动稳定振幅的作用。

图8.3-29 RC桥式振荡电路
图8.3-30所示是采用运算放大器的桥式RC振荡电路。当R1=R2=R,C1=C2=C时,则振荡频率为
f0=1/2πRC.
电压放大倍数按同相输入端计算,即

由于产生振荡的最小电压放大倍数为3,所以R
F≥2RE。

图8.3-30 采用运算放大器的RC桥式振荡电路
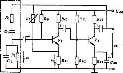
石英晶体振荡器的实用电路有两大类:一是石英晶体振荡器工作在靠近并联谐振频率处,称为并联晶体振荡器;另一类是石英晶体振荡器工作在靠近串联谐振频率处,称为串联晶体振荡器。图8.3-31所示是把晶体谐振器作为串联谐振回路接入电路的振荡器,该电路称为石英晶体控频振荡器。它由两级直接耦合放大电路组成,V2的发射极经过晶体谐振器和可调电阻反馈到V1的发射极,形成正反馈。由于一般放大器的输入阻抗低,输出阻抗高,故接入V2以实现阻抗匹配。调节电位器可用于改变反馈量的大小。若反馈量太小,将停振;反馈量太大,将使波形失真。几种常见的石英振荡器的主要性能见表8.3-22。

图8.3-31 石英晶体控频振荡器
表8.3-22 几种常见的石英振荡器的主要性能
