网站首页  词典首页

请输入您要查询的字词:

 

字词 着色水体的蒸发
类别 中英文字词句释义及详细解析
释义

着色水体的蒸发


水体中加入某些深色水溶性色素,可增加对太阳辐射的吸收,提高蒸发效果,对白底池和浅水的效果更为明显。在不同的色泽中,效果顺序大致为:黑、深蓝、紫、棕、绿、红、黄。但同一色素因加入量、水深和气候的不同,蒸发效果也有差别。海盐场过去曾在卤水中加入一种绿色溶剂——苏利瓦浦绿(Soliuap green),效果如下。

(一)光谱吸收与反射损失率的差别

加绿水体可更多地吸收短波辐射,与纯水对比曲线如图2-4-12,反射损失率测定如表2-4-44。

表2-4-44 不同着色浓度、不同深度卤水的太阳辐射损失率

(二)不同辐射强度与不同颜色池底的水温差

水体吸收辐射的差别可由水温表现出来。在强辐射下,染色水与非染色水吸热差别大,温差也大。夜间没有太阳辐射,也没有辐射吸收差别。轻工业部制盐研究所曾在白天的不同时间,以黑白球温度观测辐射强度,并对相同深度、浓度的加绿与不加绿结晶池的水温进行观测,数据如表2-4-45。

表2-4-45 太阳辐射强度与染色水体的温差

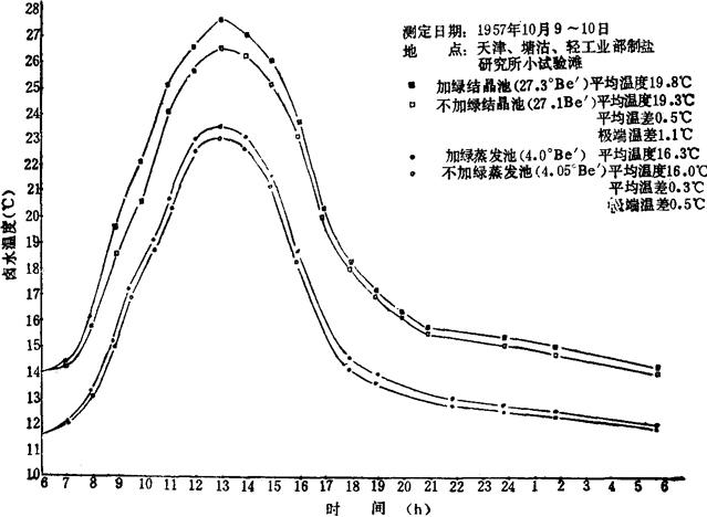
反射较强的白底结晶池与反射较弱的泥底蒸发池,在其他条件相同的情况下,加绿量为1/30000的池子分别与不加绿池子对比,一日之内水温变化曲线如图2-4-13。

图2-4-13 不同条件下加绿与不加绿水温曲线图

(三)染色浓度与水深的关系

染色水的蒸发效果不完全决定于染色浓度,还与水体深度有关。根据蒸发皿实验,2cm水深加绿1/30000和4cm水深加绿1/60000(水深增一倍,绿量减一半),后者的蒸发略大于前者。测定数据如表2-4-46。

表2-4-46 不同染色浓度、不同水深实验结果

(四)不同比重染色卤水不同天候的蒸发差别

根据相同水深(3cm)、相同加绿量(1/30000)、不同比重卤水的蒸发皿实验,不同天候下的蒸发增效不一:但平均结果可以看出,高浓度卤水的增效高于低浓度卤水。晴天高于昙天阴天。实验统计结果如下表2-4-47。

表2-4-47 不同浓度染色卤水不同天候试验结果

(五)混水与清水蒸发的差别

水体中悬浮的泥沙可阻挡太阳辐射进入水体,对蒸发效果略有影响。以泥底蒸发皿进行的9次试验,综合结果如表2-4-48。

表2-4-48 混水、清水蒸发对比测定

(六)不同高度蒸发与气象因子梯度变化

盐田卤水面上不同高度处的蒸发观测表明:蒸发量随高度增加而增大,0~50cm之间差值最大;不同的天气条件下差值不同,风速大则差值大,湿度大则差值小。综合结果如表2-4-49。

表2-4-49 水面以上不同高度蒸发测定结果

气象站地面70cm高处的蒸发皿与地面蒸发皿的对比观测也表明:地面皿的蒸发量一般较低,雨后地面湿度大时差值更大;但在高温季节,地面皿吸收地面辐射,蒸发量可大于高皿。

水面以上1cm及10、20、30、50、100、150、200cm处的温度梯度变化甚小,据测定,一日内上下温差仅1℃左右。主要因为在太阳照射下,辐射热被水体吸收,无地面辐射影响;夜间空气降温时,水体缓慢放热及水汽的对流交换,调剂了上下温差。根据5月份一日24小时的观测,2m以内气温的分层情况为:除下午14~19时底层气温略高于上层外,其余时间均为上层略高。

湿度的梯度观测说明,水面上1cm处的相对湿度恒大于上层空间,较2m高处约大10%,但随天气条件不同而有变化,50~200cm处各层湿度相差不大。5月份正常气候下24小时测定结果如表2-4-50。

表2-4-50 水面以上相对湿度梯度及气象站观测值(%)

水面上2m高处风速与气象站(在离地面12m高处)风速对应测定值如表2-4-51。

表2-4-51 水面上2m高处风速与气象站对比测定值(m/s)

测定数值表现为风速愈大,则较差愈大,如图2-4-14。

图2-4-14 两种高度风速较差图

随便看

 

文网收录3541549条中英文词条,其功能与新华字典、现代汉语词典、牛津高阶英汉词典等各类中英文词典类似,基本涵盖了全部常用中英文字词句的读音、释义及用法,是语言学习和写作的有利工具。

 

Copyright © 2004-2024 Ctoth.com All Rights Reserved
京ICP备2021023879号 更新时间:2025/10/15 23:16:40