网站首页  词典首页

请输入您要查询的字词:

 

字词 神经组织
类别 中英文字词句释义及详细解析
释义

神经组织


神经组织(nerve tissue)构成神经系统,分为中枢神经系统和周围神经系统。神经组织由神经细胞(nerve cell)和神经胶质细胞(neuroglial cell)组成。神经细胞又称神经元(neuron),人的神经系统含有上百亿个神经元,是神经系统的基本结构和功能单位,有感受刺激和传导兴奋的功能。神经元的胞体主要分布在中枢神经系统,如大脑皮质、小脑皮质、脊髓的灰质以及周围神经系统的神经节等;神经元的突起则组成中枢神经系统的神经通路和神经网络以及遍布全身的神经。神经胶质细胞(neuroglial cell)广泛分布于中枢和周围神经系统内的神经元胞体之间和突起之间,起支持、营养和保护神经元的作用。

(一)神经元

1.神经元的形态与结构 神经元形态多样。由胞体(soma)和突起(neurite)两部分组成(图2-44)。神经元的细胞膜与普通细胞膜一样由镶嵌有蛋白质的脂质双分子组成。膜内有通道、载体和受体蛋白等,在神经元感受刺激和传导兴奋中起到重要作用。膜表面有糖链组成糖蛋白和糖脂,与细胞识别和连接有关。同时膜内外也与其他细胞一样维持有一定的电位差(膜电位),即膜外带正电荷,膜内带负电荷,呈极化(polarization)状态。当神经细胞膜受刺激时,膜电位发生改变后又很快复原,此过程称为动作电位(action potential),可沿细胞膜扩布,即形成神经冲动的传导。

图2-44 多极神经元模式图

(1)胞体:神经元胞体是细胞的营养中心,细胞核位于胞体中央,大而圆,染色浅,核仁明显。胞质称核周质(perikaryon),含有发达的粗面内质网、游离核糖体、高尔基复合体和微丝、微管、神经丝等。在光镜下,粗面内质网和游离核糖体呈嗜碱性颗粒或块状,称为尼氏体(Nissl bodies)(图2-45),主要功能是合成蛋白质(包括合成神经递质有关的蛋白质和酶)。直径约为10nm的神经丝(neurofilament)常集合成束,在胞体内交织成网,伸入突起内则平行排列,在银染切片中呈棕黑色细丝,称为神经原纤维(图2-46),对神经元起支持、传递信息和运输等作用。某些神经元胞体含有分泌颗粒,内含激素,具有内分泌功能,称为分泌神经元(secretory neuron)。

图2-45 脊髓前角运动神经元(400×)

图2-46 脊髓前角运动神经元镀银染色(示神经原纤维)(400×)

(2)突起:神经元的突起包括树突和轴突两种:①树突(dendrites):主要接受来自其他神经元或环境的刺激。神经元有一个或多个树突,自胞体发出后反复分支,并有大量棘状小突,称为树突棘(dendritic spine),能增大树突表面积以接受更多刺激。树突内的胞质与核周质相似,也含有尼氏体(Nissl bodies)等;②轴突(axons):细而长,表面光滑,每个神经元只有一个轴突,胞体在发出轴突处呈圆锥形,称轴丘(axon hillock),轴丘和轴突内无尼氏体。轴突的胞质称轴质(axoplasm),含大量蛋白质,占轴质80%,是由胞体内合成后输送到轴突及其终末。此外还含有微管、微丝和神经丝等,纵行于轴突内,它们之间连接形成网架结构。轴突内物质是流动的,称轴浆流(axoplasmic flow)。胞体内合成物质自胞体移向轴突终末,称轴突运输(axonal transport)。按其运输速度分为慢速运输(slow transport),例如网架结构以每天0.1~0.2mm速度向终末单向性顺行的运输;快速运输(fast transport)是以每天100~400mm的速度呈双向性运输,如膜性细胞器、蛋白质和含神经递质的小泡等结构。轴突的末端分支较多,称轴突终末,它与其他神经元或其他组织广泛联系,轴突是传递兴奋的重要结构,将神经冲动传出胞体到另一神经元或其他组织。

2.神经元的分类

(1)按神经元突起的数目可分为:①多极神经元(multipolar neuron):有多个树突,一个轴突,如脊髓前角内的运动神经元、大脑锥体细胞等;②双极神经元(bipolar neuron):有两个突起,一为树突,一为轴突。如耳蜗神经节的双极神经元;③假单极神经元(pseudounipolar neuron):由胞体发出一个突起,在离胞体一定距离分为轴突(中枢突,central process)和树突(周围突,peripheral process),如脊神经节内感觉神经元(图2-47)。

图2-47 神经元分类示意图

(2)按神经元功能可分为:①感觉神经元(sensory neuron)(传入神经元,afferent neuron):主要与感受器相连,将刺激传向中枢;②运动神经元(motor neuron)(传出神经元,efferent neuron):将神经冲动传到效应器官;③联合神经元(中间神经元,interneuron):位于前两者之间,起联络作用,多位于中枢,亦为多极神经元。

(二)神经胶质细胞

神经胶质细胞(neuroglial cell)简称胶质细胞(glial cell),数量约为神经元的10倍,但因其比神经元小,在常规染色标本中只见到细胞核,以金属浸镀技术(metallic impregnation technique)可观察到胶质细胞整体形态。胶质细胞也有突起,但胞体内无Nissl bodies,胞突无树突轴突之分,无传导神经冲动的功能。其主要作用是对神经元有支持、营养、修复、分隔绝缘及形成髓鞘等功能,对神经系统发育和正常生理活动有重要作用。神经胶质细胞可分中枢神经系统胶质细胞(图2-48)和周围神经系统胶质细胞两类。

图2-48 中枢神经系统神经胶质细胞示意图

1.中枢神经系统胶质细胞

(1)星形胶质细胞(astrocyte):是体积最大的胶质细胞,核圆形或卵圆形,较大,染色淡。突起末端常膨大形成脚板(foot plate),贴附在邻近的毛细血管壁上或参与构成脑、脊髓软膜下的胶质界膜(glia limitans)。可分纤维性星形胶质细胞(fibrous astrocyte)和原浆性星形胶质细胞(protoplasmic astrocyte)两种。前者主要见于白质,突起细长,胞质内含大量胶质丝(glial filament),由胶质原纤维酸性蛋白(glial fibrillary acidic protein,简称GFAP)组成;后者多见于灰质,突起粗短,胞质内胶质丝少。GFAP是星形胶质细胞的一种标志蛋白。利用它可识别星形胶质细胞来源的肿瘤。星形胶质细胞除胶质细胞共有的作用外,在调节神经元代谢和离子环境中,可摄取神经元释放的神经递质,参与神经递质代谢,保持突触传递的敏感性。神经兴奋时,由神经元内流入细胞外间隙过多的钾,很快被星形胶质细胞吸收,以保持钾平衡,对神经元周围离子稳定性起到重要作用。此外,星形胶质细胞还可合成和分泌神经营养因子等活性物质,参与中枢神经系统的修复作用。但在脑损伤时,由于星形胶质细胞增生,形成胶质瘢痕(glial scar),可妨碍再生轴突的生长;而且由于增生胶质细胞(称为反应性星形胶质细胞)调节神经元代谢和离子环境的功能发生紊乱,使细胞外间隙高浓度的钾不能及时吸收,而导致神经去极化,兴奋性增高,导致神经元发生癫痫样放电,故与癫痫(epilepsy)发作有关。

(2)少突胶质细胞(oligodendrocyte):突起较少,胞体较星形胶质细胞小,核圆,染色较深。它是中枢神经系统内有髓神经纤维髓鞘的形成细胞。

(3)小胶质细胞(microglia):是胶质细胞中最小的一种,胞体细长,核小,染色深,突起细长有分支,表面有小棘突,具有吞噬能力,属单核吞噬细胞系统成员之一。

(4)室管膜细胞(ependyma cell):位于脑室和脊髓中央管的腔面,排列成单层立方或柱状,称室管膜(ependyma)。相邻上皮细胞侧面有缝隙连接或中间连接,但通常缺乏闭锁式紧密连接,故溶质和大分子蛋白质可通过室管膜细胞之间进入脑实质。室管膜细胞参与脑-脑脊液屏障构成。

2.周围神经系统胶质细胞

(1)施万细胞(Schwann cell),又称神经膜细胞(neurilemmal cell):包绕周围神经纤维形成髓鞘(myelin sheath)。其形成髓鞘的方式是由施万细胞质膜呈同心圆包卷轴突而成。

(2)卫星细胞(satellite cell):是包绕在神经节内节细胞胞体周围的一层小扁平细胞,故又称被囊细胞。细胞核圆或卵圆形,染色较深。

(三)神经纤维

神经纤维(nerve fiber)是神经元的长突起(轴突)及其外包的胶质细胞之总称。根据包裹轴突的胶质细胞是否形成髓鞘,可分为有髓神经纤维和无髓神经纤维两种。它们构成中枢神经系统内各种上、下行或联系各脑区的传导束和联合纤维,在周围神经系统构成分布于各器官组织的脑神经、脊神经和自主神经。

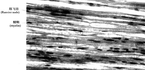
1.有髓神经纤维(myelinated nerve fiber) 周围神经系统有髓神经纤维的髓鞘由Schwann cell分段连续包卷轴突形成(图2-49)。Schwann cell表面凹陷形成纵沟,质膜相贴形成轴突系膜(mesaxon)呈同心圆包卷轴突形成板层状,胞质挤到细胞内外边缘及两端,两层质膜间也保留少量胞质,形成胞质通道与细胞内外边缘的胞质相通,即在锇酸固定和染色的髓鞘纵切面见到的漏斗形斜裂称施兰切迹(SchmidtLantermann incisure)。髓鞘化学成分是类脂和蛋白质,称髓磷脂(myelin),其中类脂含量多,使新鲜髓鞘呈闪亮白色,常规染色标本,类脂被溶解,仅见网状蛋白质。在Schwann cell外有基膜,它与Schwann cell最外面一层胞膜合称神经膜(neurilemma)。一个Schwann cell与其所包绕的一段轴突称为结间体(internode)。相邻两结间体之间的轴突是裸露的,称郎飞结(Ranvier node)(图2-50)。髓鞘具有绝缘作用,生理实验证明,有髓神经纤维神经冲动的传导是呈跳跃式传导(saltatory conduction),即从一个郎飞结跳到另一个郎飞结,故传导速度较快。

图2-49 周围神经纤维髓鞘形成模式图

图2-50 周围有髓神经纤维(纵切面)(400×)

中枢神经系统有髓神经纤维的髓鞘由少突胶质细胞的突起末端呈扁平薄膜状包绕轴突形成(图2-51)。一个少突胶质细胞的多个突起可分别包卷多条轴突。但髓鞘外没有基膜,也没有Schmidt-Lantermann incisure。

图2-51 中枢神经纤维髓鞘形成模式图

2.无髓神经纤维(amyelinated nerve fiber) 周围神经系统无髓神经纤维由Schwann cell一个接一个连续包裹细轴突形成,但包膜不发生反复包卷,故不形成髓鞘,也无郎飞结。一个Schwann cell可包绕多条轴突(图2-52)。中枢神经系统无髓神经纤维为裸露的轴突,常与有髓神经纤维混杂一起。无髓神经纤维因无髓鞘和郎飞结,其神经冲动是沿轴突连续传导,故传导速度较慢。

图2-52 无髓神经纤维模式图

(四)突触

突触(synapse) 是传递信息的重要结构。它是神经元与神经元之间,或神经元与非神经细胞之间的一种特化的细胞连接。常见的是一个神经元的轴突终末与另一个神经元的胞体或树突连接,构成轴-体(axosomatic)、轴-树(axodendtitic)突触(图2-53)。根据突触传导信息的方式,主要分为以释放神经递质传导冲动的化学性突触(chemical synapse)和通过缝隙连接的低电阻传导冲动的电突触(electric synapse)两种,并以化学性突触多见。

图2-53 各种突触示意图

化学性突触由突触前成分(presynaptic element)、突触间隙(synaptic cleft)和突触后成分(postsynaptic element)组成(图2-54)。突触前、后成分彼此相对的细胞膜分别称为突触前膜(presynaptic membrane)和突触后膜(postsynaptic membrane)。突触前成分通常为轴突终末膨大,呈环扣状附在另一神经元的胞体或树突上,称突触扣结(synaptic bouton),内含较多突触小泡(synaptic vesicle)。小泡表面有一种磷蛋白(phosphopratein),称突触素Ⅰ(synapsin Ⅰ),其磷酸化时可使小泡脱落,顺细胞骨架移到突触前膜并与之融合,释放出神经递质。突触前膜有电位门控通道(是一种由膜蛋白构成的钙通道)。突触间隙是突触前、后膜之间的间隙,宽约20~30nm。突触后成分主要为突触后膜及其受体和化学门控通道。

图2-54 化学性突触超微结构模式图

突触传导神经冲动是沿轴膜到达突触前膜,由冲动所导致的膜内外电位逆转(即俗称去极化,depolarization)使电压门控钙通道(voltage-gatad calcium channel)开放,细胞外钙离子进入突出前成分,在ATP参与下使突触素Ⅰ发生磷酸化,促使突触小泡移附在突触前膜上,以胞吐作用释放神经递质(neurotransmiffer)进入突触间隙,神经递质与突触后膜的受体结合,引起突触后膜上的化学门控通道开放,使相应的离子进出,此离子流使突触后膜电位逆转(去极化),产生第二次神经冲动。突触后膜神经冲动的发射是数百个突触一起作用后的结果。神经递质可在突触接合后产生兴奋(excitation)或抑制(inhibition)作用。使突触后膜发生兴奋的突触称为兴奋性突触(excitatory synapse),使突触后膜发生抑制的突触称为抑制性突触(inhibitory synapse)。

(五)神经末梢

神经末梢(nerve ending)是指周围神经纤维轴突的终末部分。按其功能可分接受体表和内脏感觉的感觉神经末梢(sensory nerve ending)和支配肌肉或腺体等效应器官的运动神经末梢(motor nerve ending)两大类。

1.感觉神经末梢(sensory nerve ending) 是感觉神经元周围突的终末部分与其附属结构共同组成感受器(receptor)。感受器能接受内外环境的刺激,并转化为神经冲动传入中枢。按其结构可分为游离神经末梢和有被囊神经末梢。

(1)游离神经末梢(free nerve ending):是神经纤维到达上皮基膜附近时,失去髓鞘和神经膜,分布在上皮细胞之间,主要感受痛觉、温觉(图2-55)。

图2-55 表皮内游离神经末梢

(2)有被囊神经末梢(encapsulated nerve ending):外包裹有结缔组织被囊,常见的有如下几种:①触觉小体(tactile corpuscle):分布在皮肤真皮乳头内,多呈卵圆形,小体内有横列的扁平细胞,外包有结缔组织囊,有髓神经纤维进入小体时失去髓鞘,其分支盘绕在扁平细胞间,可感受触觉(图2-56)。②环层小体(paciniancorpuscle):分布于皮肤的皮下组织、肠系膜等处,呈圆形或卵圆形,体积较大,被囊是由数十层呈同心圆排列的扁平细胞组成,中央有一均质状圆柱体,有髓神经纤维失去髓鞘后穿入其中,可感受压觉和振动觉(图2-57)。③肌梭(muscle spindle):分布于骨骼肌内的梭形小体,外有结缔组织被囊,内含若干条细小骨骼肌纤维,称梭内肌纤维。感觉神经纤维的末端,进入结缔组织被囊后失去髓鞘缠绕在每条梭内肌上,主要感受肌纤维的伸缩变化(图2-58)。

图2-56 触觉小体(400×)

图2-57 环层小体(400×)

图2-58 肌梭

2.运动神经末梢(motor nerve ending) 是运动神经元的轴突末端终止于骨骼肌、平滑肌和腺体的终末结构。支配肌肉收缩和腺体的分泌。①躯体运动神经末梢(somatic motor nerve ending)是运动神经元的轴突,进入骨骼肌之前,失去髓鞘,反复分支,其末端呈爪状分支贴附于骨骼肌纤维的表面,称运动终板(motor end plate)(图2-59)。一条骨骼肌只接受一个轴突分支支配,一个运动神经元的轴突及其分支所支配的多根骨骼肌纤维合称一个运动单位(motor unit)。电镜下,运动终板处的肌浆丰富,有较多细胞核和线粒体,肌膜凹陷形成浅槽,轴突终末膨大陷入浅槽内,含有许多突触小泡,内含神经递质(乙酰胆碱,acetylcholine),轴突终末膜为突触前膜,富含电位门控钙通道,与其对应的肌膜为突触后膜,两者间为突触间隙。当神经冲动到达运动终板时,轴突终末突触前膜上的钙通道开放,钙离子进入轴突终末,促使突触小泡移附于突触前膜,以出胞方式释放神经递质(乙酰胆碱)与突触后膜乙酰胆碱N受体结合,引起与受体偶联的化学门控钠通道开放,大量钠离子进入肌浆内,使肌膜两侧离子分布发生变化而产生兴奋,引起肌纤维收缩。②内脏运动神经末梢(visceral motor nerve ending)是自主神经节后纤维的终末,呈串珠状膨体(varicosity),分布于平滑肌、心肌和腺体,不同的神经纤维末梢释放的神经递质不同,当神经冲动到达膨体时,膨体释放递质,通过弥散方式作用于效应细胞膜上受体,这种无典型的化学性传递称非突触性化学传递。支配内脏平滑肌、心肌的收缩及腺体的分泌。

图2-59 运动终板(400×)

随便看

 

文网收录3541549条中英文词条,其功能与新华字典、现代汉语词典、牛津高阶英汉词典等各类中英文词典类似,基本涵盖了全部常用中英文字词句的读音、释义及用法,是语言学习和写作的有利工具。

 

Copyright © 2004-2024 Ctoth.com All Rights Reserved
京ICP备2021023879号 更新时间:2025/10/16 22:53:57