网站首页  词典首页

请输入您要查询的字词:

 

字词 立式冷压室压铸机
类别 中英文字词句释义及详细解析
释义

立式冷压室压铸机


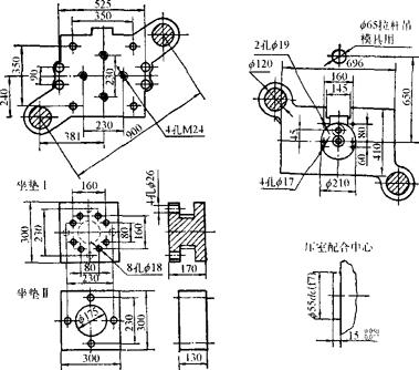
1.J1512型立式冷压室压铸机的主要参数(表3.4-2),模具安装尺寸(图3.4-3)

表3.4-2 J1512型压铸机主要参数

图3.4-3 J1512型压铸机模板尺寸

2.J1513型立式冷压室压铸机主要参数(表3.4-3),模具安装尺寸(图3.4-4)

表3.4-3 J1513型压铸机主要参数

图3.4-4 J1513型压铸机模具安装尺寸

随便看

 

文网收录3541549条中英文词条,其功能与新华字典、现代汉语词典、牛津高阶英汉词典等各类中英文词典类似,基本涵盖了全部常用中英文字词句的读音、释义及用法,是语言学习和写作的有利工具。

 

Copyright © 2004-2024 Ctoth.com All Rights Reserved
京ICP备2021023879号 更新时间:2026/3/26 20:22:51